• •
收稿日期:2025-10-27
修回日期:2025-11-25
出版日期:2025-12-16
通讯作者:
熊伟丽
作者简介:张震(2002—),男,硕士研究生,15092619563@163.com
基金资助:
Zhen ZHANG1(
), Xudong SHI1,2, Fazheng WANG1, Weili XIONG1,2(
)
Received:2025-10-27
Revised:2025-11-25
Online:2025-12-16
Contact:
Weili XIONG
摘要:
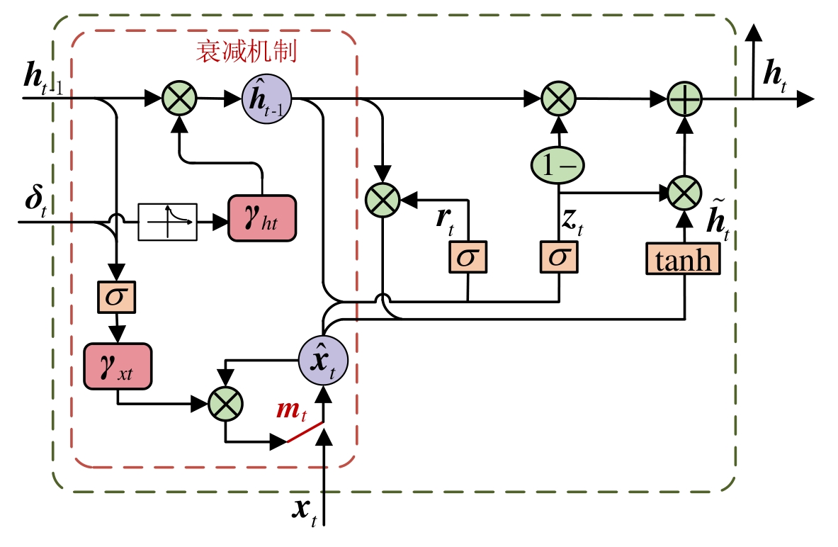
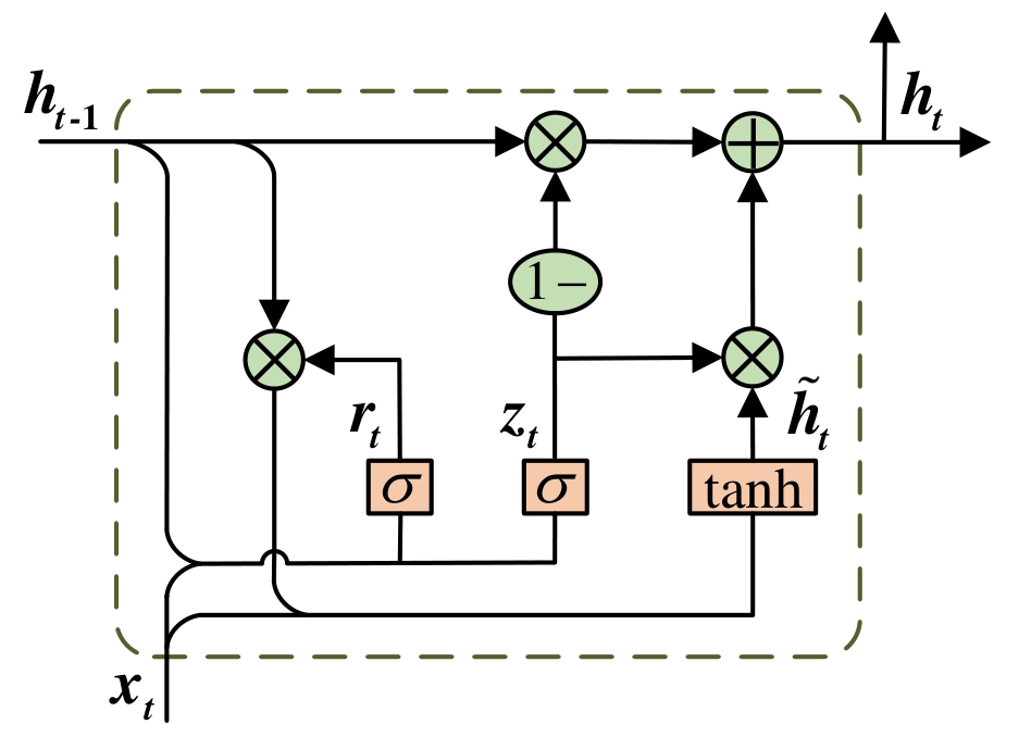
受传感器采样能力及工艺特性制约,一些生产过程变量通常具有不同的采样速率。然而,传统软测量建模一般假设所有数据采样速率相同,不能直接应用于多采样率工业场景。因此,提出一种基于数据分块策略的双流多采样率门控循环单元(Gated Recurrent Unit,GRU)的软测量建模方法。首先,基于采样频率高低设计数据分块策略,将数据划分为高频数据块与低频数据块;其次,构建双流特征提取网络,在低频数据流引入时序动态衰减模块,通过改进的衰减门控循环单元直接处理缺失数据,在高频数据流设计时序注意力增强模块,捕捉密集采样数据特征;进一步设计融合层自适应分配双流网络的隐藏特征权重,以构建处理多采样率数据的软测量模型。最后,通过脱丁烷塔过程及硫回收过程的应用仿真验证所提算法的预测效果。
中图分类号:
张震, 史旭东, 王法正, 熊伟丽. 基于数据分块策略的双流多采样率GRU软测量建模[J]. 化工学报, DOI: 10.11949/0438-1157.20251190.
Zhen ZHANG, Xudong SHI, Fazheng WANG, Weili XIONG. A dual-stream multirate GRU soft sensor modeling based on data chunk strategy[J]. CIESC Journal, DOI: 10.11949/0438-1157.20251190.
| 变量名称 | 变量单位 | 采样间隔/min |
|---|---|---|
| 塔顶温度 | ℃ | 10 |
| 塔顶压力 | kg/cm2 | 10 |
| 回流流量 | m3/h | 20 |
| 出料流量 | m3/h | 20 |
| 第六层塔板温度 | ℃ | 10 |
| 塔底温度1 | ℃ | 10 |
| 塔底温度2 | ℃ | 10 |
| 丁烷浓度 | mol% | 40 |
表1 脱丁烷塔变量描述
Table 1 Variable description of debutanizer
| 变量名称 | 变量单位 | 采样间隔/min |
|---|---|---|
| 塔顶温度 | ℃ | 10 |
| 塔顶压力 | kg/cm2 | 10 |
| 回流流量 | m3/h | 20 |
| 出料流量 | m3/h | 20 |
| 第六层塔板温度 | ℃ | 10 |
| 塔底温度1 | ℃ | 10 |
| 塔底温度2 | ℃ | 10 |
| 丁烷浓度 | mol% | 40 |
| 所用模型 | RMSE | MAE | R2 |
|---|---|---|---|
| MLP | 0.06341 | 0.05267 | 0.86452 |
| RNN | 0.05743 | 0.04662 | 0.90419 |
| VPTN | 0.05522 | 0.04573 | 0.92699 |
| MRS-KNN | 0.04831 | 0.03900 | 0.94412 |
| T-LSTM | 0.02848 | 0.02223 | 0.96792 |
| DC-DSMGRU | 0.02368 | 0.01793 | 0.98658 |
表2 各多采样率模型丁烷浓度预测结果
Table 2 Prediction results of butane concentration in each multi-sampling rate model
| 所用模型 | RMSE | MAE | R2 |
|---|---|---|---|
| MLP | 0.06341 | 0.05267 | 0.86452 |
| RNN | 0.05743 | 0.04662 | 0.90419 |
| VPTN | 0.05522 | 0.04573 | 0.92699 |
| MRS-KNN | 0.04831 | 0.03900 | 0.94412 |
| T-LSTM | 0.02848 | 0.02223 | 0.96792 |
| DC-DSMGRU | 0.02368 | 0.01793 | 0.98658 |
| 所用模型 | RMSE | MAE | R2 |
|---|---|---|---|
| GRU | 0.05062 | 0.04389 | 0.93865 |
| GRU-D | 0.04873 | 0.04166 | 0.94315 |
| TAEGRU | 0.04307 | 0.03480 | 0.95559 |
| TDDGRU | 0.04351 | 0.03517 | 0.95468 |
| DC-DSMGRU | 0.02368 | 0.01793 | 0.98658 |
表3 消融实验中丁烷浓度预测结果
Tab.3 Prediction results of butane concentration in ablation experiments
| 所用模型 | RMSE | MAE | R2 |
|---|---|---|---|
| GRU | 0.05062 | 0.04389 | 0.93865 |
| GRU-D | 0.04873 | 0.04166 | 0.94315 |
| TAEGRU | 0.04307 | 0.03480 | 0.95559 |
| TDDGRU | 0.04351 | 0.03517 | 0.95468 |
| DC-DSMGRU | 0.02368 | 0.01793 | 0.98658 |
| 变量名称 | 变量单位 | 采样间隔/min |
|---|---|---|
| GAS气流 | m3/h | 10 |
| AIR空气流 | m3/h | 10 |
| AIR二次空气流 | m3/h | 20 |
| SWS区域GAS气流 | m3/h | 20 |
| SWS区域AIR空气流 | m3/h | 10 |
| SO2浓度 | mg/m3 | 40 |
表4 硫回收变量描述
Tab.4 Variable description of SRU
| 变量名称 | 变量单位 | 采样间隔/min |
|---|---|---|
| GAS气流 | m3/h | 10 |
| AIR空气流 | m3/h | 10 |
| AIR二次空气流 | m3/h | 20 |
| SWS区域GAS气流 | m3/h | 20 |
| SWS区域AIR空气流 | m3/h | 10 |
| SO2浓度 | mg/m3 | 40 |
| 所用模型 | RMSE | MAE | R2 |
|---|---|---|---|
| MLP | 0.03242 | 0.02556 | 0.54825 |
| VPTN | 0.02843 | 0.02044 | 0.65253 |
| RNN | 0.02366 | 0.01870 | 0.75932 |
| FCW-RNN | 0.02136 | 0.01665 | 0.80388 |
| T-LSTM | 0.02034 | 0.01615 | 0.82210 |
| DC-DSMGRU | 0.01808 | 0.01393 | 0.85945 |
表5 各多采样率模型SO2浓度预测结果
Table 5 Prediction results of SO2 concentration in each multi-sampling rate model
| 所用模型 | RMSE | MAE | R2 |
|---|---|---|---|
| MLP | 0.03242 | 0.02556 | 0.54825 |
| VPTN | 0.02843 | 0.02044 | 0.65253 |
| RNN | 0.02366 | 0.01870 | 0.75932 |
| FCW-RNN | 0.02136 | 0.01665 | 0.80388 |
| T-LSTM | 0.02034 | 0.01615 | 0.82210 |
| DC-DSMGRU | 0.01808 | 0.01393 | 0.85945 |
| 所用模型 | RMSE | MAE | R2 |
|---|---|---|---|
| GRU | 0.02503 | 0.01925 | 0.73081 |
| GRU-D | 0.02333 | 0.01792 | 0.76607 |
| TAEGRU | 0.02277 | 0.01707 | 0.77721 |
| TDDGRU | 0.02118 | 0.01562 | 0.80713 |
| DC-DSMGRU | 0.01812 | 0.01411 | 0.85884 |
表6 消融实验中SO2浓度预测结果
Tab.6 Prediction results of SO2 concentration in ablation experiment
| 所用模型 | RMSE | MAE | R2 |
|---|---|---|---|
| GRU | 0.02503 | 0.01925 | 0.73081 |
| GRU-D | 0.02333 | 0.01792 | 0.76607 |
| TAEGRU | 0.02277 | 0.01707 | 0.77721 |
| TDDGRU | 0.02118 | 0.01562 | 0.80713 |
| DC-DSMGRU | 0.01812 | 0.01411 | 0.85884 |
| [1] | 廖开继, 隋璘, 熊伟丽. 基于双阶段注意力的双流记忆调节GRU软测量建模[J]. 控制与决策, 2025, 40(9): 2848-2858. |
| Liao K J, Sui L, Xiong W L. Soft sensor modeling based on dual-stream memory-modulated GRU with dual-stage attention mechanism[J]. Control and Decision, 2025, 40(9): 2848-2858. | |
| [2] | 李文华, 叶洪涛, 罗文广, 等. 基于MHSA-LSTM的软测量建模及其在化工过程中的应用[J]. 化工学报, 2024, 75(12): 4654-4665. |
| Li W H, Ye H T, Luo W G, et al. Soft sensor modeling based on MHSA-LSTM and its application in chemical process[J]. CIESC Journal, 2024, 75(12): 4654-4665. | |
| [3] | Zheng K Y, Funatsu K. Partial constrained least squares (PCLS) and application in soft sensor[J]. Chemometrics and Intelligent Laboratory Systems, 2018, 177: 64-73. |
| [4] | Yin S L, Li Y G, Sun B, et al. Mixed kernel principal component weighted regression based on just-in-time learning for soft sensor modeling[J]. Measurement Science and Technology, 2022, 33(1): 015102. |
| [5] | Zhu X L, Rehman K U, Wang B, et al. Modern soft-sensing modeling methods for fermentation processes[J]. Sensors, 2020, 20(6): 1771. |
| [6] | 范龙飞, 史旭东, 熊伟丽. 跨工况下基于参数迁移的域适应宽度学习软测量建模[J]. 化工学报, 2025,76(9): 4644-4657. |
| Fan L F, Shi X D, Xiong W L. Domain adaptive broad learning system with parameter transferring for cross-condition soft sensor modeling[J]. CIESC Journal, 2025, 76(9): 4644-4657. | |
| [7] | Sun Q Q, Ge Z Q. A survey on deep learning for data-driven soft sensors[J]. IEEE Transactions on Industrial Informatics, 2021, 17(9): 5853-5866. |
| [8] | Purwono P, Ma'arif A, Rahmaniar W, et al. Understanding of convolutional neural network (CNN): a review[J]. International Journal of Robotics and Control Systems, 2022, 2(4): 739-748. |
| [9] | Xie R M, Jan N M, Hao K R, et al. Supervised variational autoencoders for soft sensor modeling with missing data[J]. IEEE Transactions on Industrial Informatics, 2020, 16(4): 2820-2828. |
| [10] | Pratama I, Permanasari A E, Ardiyanto I, et al. A review of missing values handling methods on time-series data[C]//2016 International Conference on Information Technology Systems and Innovation (ICITSI). October 24-27, 2016, Bandung, Indonesia. IEEE, 2017: 1-6. |
| [11] | Zhang S M, Zhao C H. Slow-feature-analysis-based batch process monitoring with comprehensive interpretation of operation condition deviation and dynamic anomaly[J]. IEEE Transactions on Industrial Electronics, 2019, 66(5): 3773-3783. |
| [12] | 孙凯, 隋璘, 张芳芳, 等. 基于非负绞杀与长短期记忆神经网络的动态软测量算法[J]. 控制理论与应用, 2023, 40(1): 83-93. |
| Sun K, Sui L, Zhang F F, et al. Dynamic soft sensor algorithm based on nonnegative garrote and long short-term memory neural network[J]. Control Theory & Applications, 2023, 40(1): 83-93. | |
| [13] | Baytas I M, Xiao C, Zhang X, et al. Patient subtyping via time-aware LSTM networks[C]//Proceedings of the 23rd ACM SIGKDD International Conference on Knowledge Discovery and Data Mining. Halifax NS Canada. ACM, 2017: 65-74. |
| [14] | Dey R, Salem F M. Gate-variants of gated recurrent unit (GRU) neural networks[C]//2017 IEEE 60th International Midwest Symposium on Circuits and Systems (MWSCAS). August 6-9, 2017, Boston, MA, USA. IEEE, 2017: 1597-1600. |
| [15] | 王法正, 隋璘, 熊伟丽. 面向多采样率数据的TTPA-LSTM软测量建模[J]. 化工学报, 2025, 76(4): 1635-1646. |
| Wang F Z, Sui L, Xiong W L. TTPA-LSTM soft sensor modeling for multi-sampling rate data[J]. CIESC Journal, 2025, 76(4): 1635-1646. | |
| [16] | Che Z P, Purushotham S, Cho K, et al. Recurrent neural networks for multivariate time series with missing values[J]. Scientific Reports, 2018, 8: 6085. |
| [17] | Chang S C, Chen X, Zhao C H. Flexible Clockwork Recurrent Neural Network for multirate industrial soft sensor[J]. Journal of Process Control, 2022, 119: 86-100. |
| [18] | Chai Z, Zhao C H, Huang B. Variational progressive-transfer network for soft sensing of multirate industrial processes[J]. IEEE Transactions on Cybernetics, 2022, 52(12): 12882-12892. |
| [19] | Feng J, Li K Q. MRS-kNN fault detection method for multirate sampling process based variable grouping threshold[J]. Journal of Process Control, 2020, 85: 149-158. |
| [20] | 钱子豪, 王磊, 靳晟. 基于Transformer-LSTM的高炉炼铁硅含量软测量方法[J]. 机电工程技术, 2025, 54(19): 35-40, 114. |
| Qian Z H, Wang L, Jin S. Soft measurement method of silicon content in blast furnace ironmaking based on transformer-LSTM[J]. Mechanical & Electrical Engineering Technology, 2025, 54(19): 35-40, 114. | |
| [21] | Ma L, Wang M W, Peng K X. A spatiotemporal industrial soft sensor modeling scheme for quality prediction with missing data[J]. IEEE Transactions on Instrumentation and Measurement, 2024, 73: 1-10. |
| [22] | 冯路. 基于堆栈自编码器的加氢裂化多采样率数据软测量建模[D]. 长沙: 中南大学, 2022. |
| Feng L. Soft sensor modeling for multi-rate data based on stacked autoencoder in the hydrocracking process[D]. Changsha: Central South University, 2022. | |
| [23] | Ren L, Wang T, Laili Y, et al. A data-driven self-supervised LSTM-DeepFM model for industrial soft sensor[J]. IEEE Transactions on Industrial Informatics, 2022, 18(9): 5859-5869. |
| [24] | Tan Q X, Ye M, Yang B Y, et al. DATA-GRU: dual-attention time-aware gated recurrent unit for irregular multivariate time series[J]. Proceedings of the AAAI Conference on Artificial Intelligence, 2020, 34(1): 930-937. |
| [25] | 熊中敏, 郭怀宇, 吴月欣. 缺失数据处理方法研究综述[J]. 计算机工程与应用, 2021, 57(14): 27-38. |
| Xiong Z M, Guo H Y, Wu Y X. Review of missing data processing methods[J]. Computer Engineering and Applications, 2021, 57(14): 27-38. | |
| [26] | Tzoumpas K, Estrada A, Miraglio P, et al. A data filling methodology for time series based on CNN and (Bi)LSTM neural networks[J]. IEEE Access, 2024, 12: 31443-31460. |
| [27] | Huang G L. Missing data filling method based on linear interpolation and lightgbm[J]. Journal of Physics: Conference Series, 2021, 1754(1): 012187. |
| [28] | Wu R, Hamshaw S D, Yang L, et al. Data imputation for multivariate time series sensor data with large gaps of missing data[J]. IEEE Sensors Journal, 2022, 22(11): 10671-10683. |
| [29] | 王建军, 潘佳音, 赵珍珠, 等. 基于特征时间双注意力机制的短期光伏发电预测深度学习模型研究[J]. 智慧电力, 2025(4): 81-87. |
| Wang J J, Pan J Y, Zhao Z Z, et al. A deep learning model for short-term photovoltaic power generation forecasting based on dual feature-temporal attention mechanism[J]. Smart Power, 2025(4): 81-87. | |
| [30] | Lin B, Recke B, Knudsen J K H, et al. Data-driven soft sensor design with multiple-rate sampled data: a comparative study[C]//2007 European Control Conference (ECC). July 2-5, 2007, Kos, Greece. IEEE, 2015: 4740-4745. |
| [31] | 潘建, 汪绪豪. 融合多尺度特征和注意力机制的时间序列预测模型[J/OL]. 计算机科学, 2025: 1-8. (2025-05-15). |
| Pan J, Wang X H. Time series prediction model integrating multi-scale features and attention mechanism[J/OL]. Computer Science, 2025: 1-8. (2025-05-15). | |
| [32] | Fortuna L, Rizzo A, Sinatra M, et al. Soft analyzers for a sulfur recovery unit[J]. Control Engineering Practice, 2003, 11(12): 1491-1500. |
| [1] | 朱春梦, 李增, 柳楠, 赵云鹏, 石孝刚, 蓝兴英. 基于自编码器和多尺度符号转移熵的FCC沉降器跑剂故障检测[J]. 化工学报, 2025, 76(9): 4512-4523. |
| [2] | 周轶磊, 李智, 彭鑫. 基于代理模型的连续重整反应过程自优化控制结构设计[J]. 化工学报, 2025, 76(9): 4499-4511. |
| [3] | 郭旭, 贾继宁, 姚克俭. 基于优化CNN-BiLSTM神经网络的间歇精馏过程建模[J]. 化工学报, 2025, 76(9): 4613-4629. |
| [4] | 范龙飞, 史旭东, 熊伟丽. 跨工况下基于参数迁移的域适应宽度学习软测量建模[J]. 化工学报, 2025, 76(9): 4644-4657. |
| [5] | 王三一, 黄文来. 电化学合成氨流程建模与优化[J]. 化工学报, 2025, 76(9): 4474-4486. |
| [6] | 王芳, 马素霞, 田营, 刘众元. 基于LSTM动态修正一维机理模型的CFB机组NO x 排放浓度预测方法[J]. 化工学报, 2025, 76(7): 3416-3425. |
| [7] | 王金江, 鲁振杰, 安维峥, 杨风允, 秦小刚. ORC发电系统工艺过程预警诊断技术研究与展望[J]. 化工学报, 2025, 76(7): 3137-3152. |
| [8] | 刘翌晗, 王艳, 马浩, 王团结, 戴翠红. 基于分布式非线性映射和并行输入的BiLSTM软测量建模方法[J]. 化工学报, 2025, 76(7): 3373-3387. |
| [9] | 李欣怡, 王功明, 王自鹏, 乔俊飞. 基于事件触发的污水处理过程水质智能预测研究[J]. 化工学报, 2025, 76(6): 2828-2837. |
| [10] | 熊敏, 刘冬妹, 王智超, 周利, 吉旭. 变负荷条件下绿氨生产操作参数的调控与优化[J]. 化工学报, 2025, 76(6): 2791-2801. |
| [11] | 张涵川, 尚超, 吕文祥, 黄德先, 张亚宁. 基于无监督时序聚类的催化裂化装置工况划分识别与产率预测方法[J]. 化工学报, 2025, 76(6): 2781-2790. |
| [12] | 吴与伦, 王振雷, 王昕. 基于对比学习的乙烯裂解炉运行工况识别方法[J]. 化工学报, 2025, 76(6): 2733-2742. |
| [13] | 李文亮, 纪成, 梁晨, 吴思辰, 陈石林, 孙巍, 翟持. 基于TDMN的青霉素浓度在线软测量[J]. 化工学报, 2025, 76(6): 2848-2858. |
| [14] | 李征, 庄铠泽, 赵东杰, 宋燕星, 王功明. 事件驱动的深度信念网络软测量模型设计方法[J]. 化工学报, 2025, 76(4): 1693-1701. |
| [15] | 张新梅, 张傲, 邱德华, 刘晓爽, 陈晨. 基于热响应机理的罐区池火灾动态多米诺效应评估方法[J]. 化工学报, 2025, 76(4): 1885-1897. |
| 阅读次数 | ||||||
|
全文 |
|
|||||
|
摘要 |
|
|||||
京公网安备 11010102001995号