化工学报 ›› 2025, Vol. 76 ›› Issue (8): 4155-4164.DOI: 10.11949/0438-1157.20250114
收稿日期:2025-02-04
修回日期:2025-03-07
出版日期:2025-08-25
发布日期:2025-09-17
通讯作者:
钱小毅
作者简介:钱小毅(1989—),男,博士,副教授,qianxiaoyi123@163.com
基金资助:
Xiaoyi QIAN(
), Lixin WANG, Xingyu JIANG, Tianhe SUN, Yi ZHAO, Yifei WANG
Received:2025-02-04
Revised:2025-03-07
Online:2025-08-25
Published:2025-09-17
Contact:
Xiaoyi QIAN
摘要:
复杂化工过程中监测变量存在自相关与互相关的时空耦合关系,导致在故障传播路径识别过程中容易出现冗余信息,造成路径的错误识别。为此,提出一种融合监测数据与过程知识的故障传播路径回溯方法,以基于k近邻的故障传播路径分析方法为框架,引入分布式交互监测以确定故障潜在区域并剔除冗余变量,从工艺过程中提取基于无向邻接矩阵的连通性模型,给故障路径回溯提供逻辑指导。通过Tennessee Eastman过程与合成氨工艺流程的故障案例,与传统传递熵方法、基于k近邻的故障传播路径分析方法相比,验证了所提方法有效地提高了故障路径识别精度和效率,同时减少了冗余备选路径。
中图分类号:
钱小毅, 王利鑫, 姜兴宇, 孙天贺, 赵毅, 王一飞. 基于交互监测与连通性模型的化工过程故障传播分析[J]. 化工学报, 2025, 76(8): 4155-4164.
Xiaoyi QIAN, Lixin WANG, Xingyu JIANG, Tianhe SUN, Yi ZHAO, Yifei WANG. Fault propagation analysis of chemical process based on interactive monitoring and connectivity model[J]. CIESC Journal, 2025, 76(8): 4155-4164.
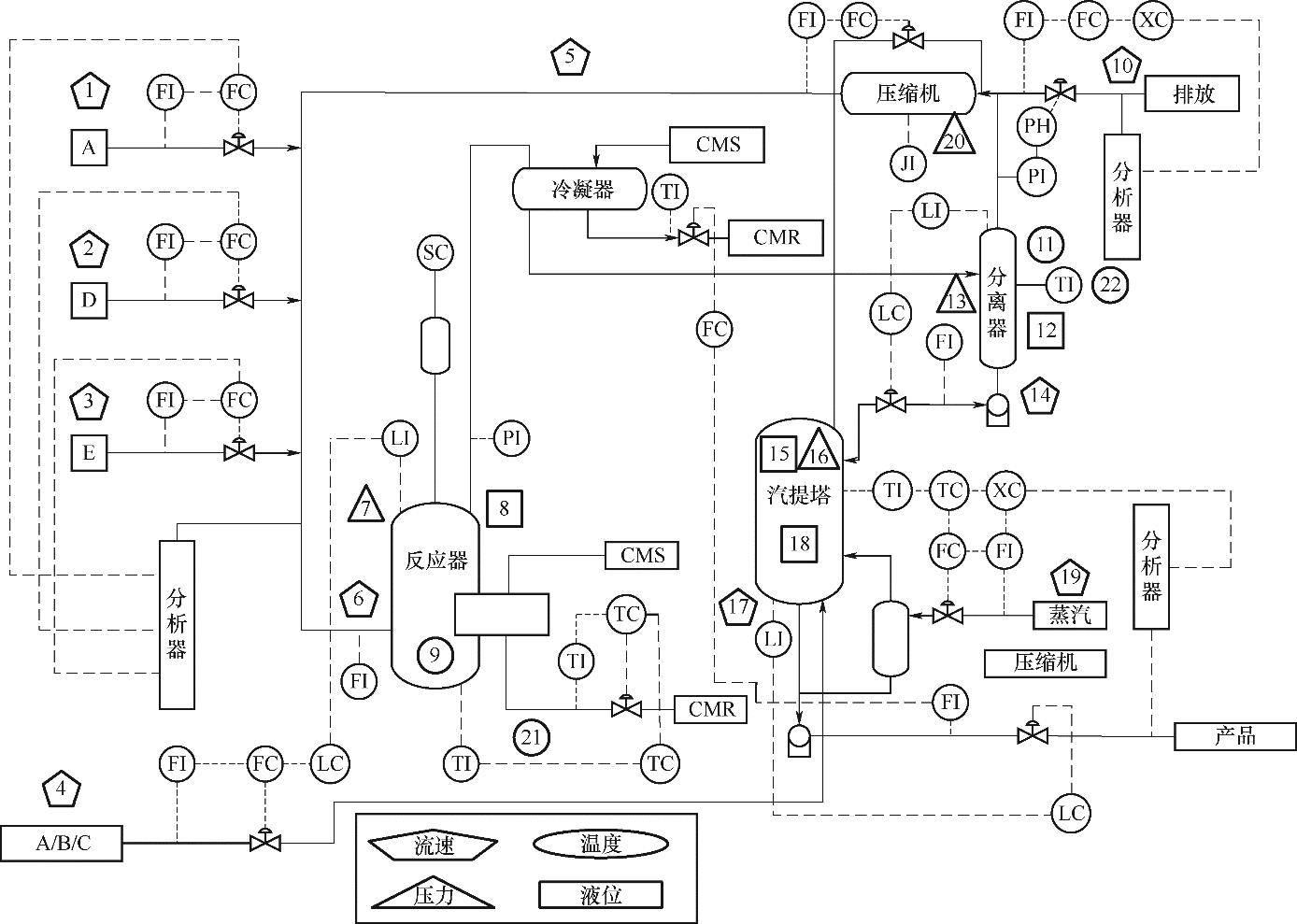
| 节点 | 名称 | 符号 | 节点 | 名称 | 符号 | 节点 | 名称 | 符号 |
|---|---|---|---|---|---|---|---|---|
| 1 | A进料流量 | F1 | 12 | 气液分离器液位 | L12 | 23 | D进料流量控制阀 | V23 |
| 2 | D进料流量 | F2 | 13 | 气液分离器压力 | P13 | 24 | E进料流量控制阀 | V24 |
| 3 | E进料流量 | F3 | 14 | 气液分离器底部出口流量 | F14 | 25 | A进料流量控制阀 | V25 |
| 4 | ABC总进料流量 | F4 | 15 | 汽提塔液位 | L15 | 26 | ABC总进料流量控制阀 | V26 |
| 5 | 压缩机出口再循环流量 | F5 | 16 | 汽提塔压力 | P16 | 27 | 压缩机再循环阀 | V27 |
| 6 | 反应器进料总流量 | F6 | 17 | 汽提塔塔底流量 | F17 | 28 | 排放阀 | V28 |
| 7 | 反应器压力 | P7 | 18 | 汽提塔温度 | T18 | 29 | 气液分离器底部出口阀 | V29 |
| 8 | 反应器液位 | L8 | 19 | 汽提塔流量 | F19 | 30 | 汽提塔产品出口阀 | V30 |
| 9 | 反应器温度 | T9 | 20 | 压缩机功率 | J20 | 31 | 汽提塔水流阀 | V31 |
| 10 | 排放速度 | F10 | 21 | 反应器冷却水出口温度 | T21 | 32 | 反应器冷却水流阀 | V32 |
| 11 | 气液分离器温度 | F11 | 22 | 冷凝器冷却水出口温度 | T22 | 33 | 冷凝器冷却水流阀 | V33 |
表1 TEP监测变量
Table 1 Variables of TEP
| 节点 | 名称 | 符号 | 节点 | 名称 | 符号 | 节点 | 名称 | 符号 |
|---|---|---|---|---|---|---|---|---|
| 1 | A进料流量 | F1 | 12 | 气液分离器液位 | L12 | 23 | D进料流量控制阀 | V23 |
| 2 | D进料流量 | F2 | 13 | 气液分离器压力 | P13 | 24 | E进料流量控制阀 | V24 |
| 3 | E进料流量 | F3 | 14 | 气液分离器底部出口流量 | F14 | 25 | A进料流量控制阀 | V25 |
| 4 | ABC总进料流量 | F4 | 15 | 汽提塔液位 | L15 | 26 | ABC总进料流量控制阀 | V26 |
| 5 | 压缩机出口再循环流量 | F5 | 16 | 汽提塔压力 | P16 | 27 | 压缩机再循环阀 | V27 |
| 6 | 反应器进料总流量 | F6 | 17 | 汽提塔塔底流量 | F17 | 28 | 排放阀 | V28 |
| 7 | 反应器压力 | P7 | 18 | 汽提塔温度 | T18 | 29 | 气液分离器底部出口阀 | V29 |
| 8 | 反应器液位 | L8 | 19 | 汽提塔流量 | F19 | 30 | 汽提塔产品出口阀 | V30 |
| 9 | 反应器温度 | T9 | 20 | 压缩机功率 | J20 | 31 | 汽提塔水流阀 | V31 |
| 10 | 排放速度 | F10 | 21 | 反应器冷却水出口温度 | T21 | 32 | 反应器冷却水流阀 | V32 |
| 11 | 气液分离器温度 | F11 | 22 | 冷凝器冷却水出口温度 | T22 | 33 | 冷凝器冷却水流阀 | V33 |
| 区块编号 | 区块名称 | 变量 |
|---|---|---|
| 1 | 反应器 | 1,2,3,5,6,7,8,9,21 |
| 2 | 冷凝器和分离器 | 7,8,9,11,12,13,14,22 |
| 3 | 汽提塔 | 4,11,12,13,14,15,16,17,18,19 |
| 4 | 压缩机 | 5,10,11,12,13,20 |
表2 基于知识的TEP测量变量分块
Table 2 Knowledge-based TEP measurement variables
| 区块编号 | 区块名称 | 变量 |
|---|---|---|
| 1 | 反应器 | 1,2,3,5,6,7,8,9,21 |
| 2 | 冷凝器和分离器 | 7,8,9,11,12,13,14,22 |
| 3 | 汽提塔 | 4,11,12,13,14,15,16,17,18,19 |
| 4 | 压缩机 | 5,10,11,12,13,20 |
| 方法 | 准确率/% | 潜在路径数/条 |
|---|---|---|
| 传递熵 | 85.71 | 16.00 |
| FPA-kNN | 82.75 | 17.00 |
| DIM-CM-FPA-kNN | 92.30 | 13.00 |
表3 故障15准确率与潜在路径数对比
Table 3 Comparison of accuracy and number of potential paths for fault 15
| 方法 | 准确率/% | 潜在路径数/条 |
|---|---|---|
| 传递熵 | 85.71 | 16.00 |
| FPA-kNN | 82.75 | 17.00 |
| DIM-CM-FPA-kNN | 92.30 | 13.00 |
| 故障编号 | 故障识别所需时间/s | ||
|---|---|---|---|
| 传递熵 | FPA-kNN | DIM-CM-FPA-kNN | |
| 1 | 302.36 | 226.28 | 117.48 |
| 2 | 302.50 | 234.03 | 140.65 |
| 3 | 304.72 | 237.54 | 117.78 |
| 4 | 303.45 | 232.72 | 122.40 |
| 5 | 308.18 | 223.66 | 114.47 |
| 6 | 291.15 | 226.41 | 139.68 |
| 7 | 305.26 | 222.82 | 112.77 |
| 8 | 306.26 | 234.65 | 205.86 |
| 9 | 304.61 | 234.65 | 115.79 |
| 10 | 310.42 | 227.99 | 93.27 |
| 11 | 336.56 | 236.47 | 112.45 |
| 12 | 307.43 | 230.46 | 113.37 |
| 13 | 306.11 | 226.75 | 212.70 |
| 14 | 306.22 | 233.85 | 233.22 |
| 15 | 304.10 | 230.93 | 122.22 |
| 平均时长 | 306.62 | 230.61 | 138.27 |
表4 不同方法下TEP的15种故障识别所需时长
Table 4 15 fault identification duration of TEP under different methods
| 故障编号 | 故障识别所需时间/s | ||
|---|---|---|---|
| 传递熵 | FPA-kNN | DIM-CM-FPA-kNN | |
| 1 | 302.36 | 226.28 | 117.48 |
| 2 | 302.50 | 234.03 | 140.65 |
| 3 | 304.72 | 237.54 | 117.78 |
| 4 | 303.45 | 232.72 | 122.40 |
| 5 | 308.18 | 223.66 | 114.47 |
| 6 | 291.15 | 226.41 | 139.68 |
| 7 | 305.26 | 222.82 | 112.77 |
| 8 | 306.26 | 234.65 | 205.86 |
| 9 | 304.61 | 234.65 | 115.79 |
| 10 | 310.42 | 227.99 | 93.27 |
| 11 | 336.56 | 236.47 | 112.45 |
| 12 | 307.43 | 230.46 | 113.37 |
| 13 | 306.11 | 226.75 | 212.70 |
| 14 | 306.22 | 233.85 | 233.22 |
| 15 | 304.10 | 230.93 | 122.22 |
| 平均时长 | 306.62 | 230.61 | 138.27 |
| 节点 | 名称 | 节点 | 名称 | 节点 | 名称 |
|---|---|---|---|---|---|
| 1 | 天然气入口流量 | 11 | 工艺空气压缩机流量 | 21 | 合成塔温度 |
| 2 | 软质水入口流量 | 12 | 一段转化炉进口压力 | 22 | 合成塔压力 |
| 3 | 蒸汽阀门 | 13 | 压缩机出口压力 | 23 | 反应物流量 |
| 4 | 蒸汽流量 | 14 | 二段转化炉出口压力 | 24 | 液氨贮槽 |
| 5 | 一段转化炉温度 | 15 | 变换塔冷却器温度 | 25 | 锅炉水预热器 |
| 6 | 一段转化炉流量 | 16 | 变换塔气体出口温度 | 26 | 锅炉水入口温度 |
| 7 | 二段转化炉流量 | 17 | 气液分离器 | 27 | 低变炉入口温度 |
| 8 | 一段转化炉压力 | 18 | 甲烷化炉 | 28 | 低变炉出口成分 |
| 9 | 二段转化炉温度 | 19 | 氨压缩机 | 29 | 天然气阀门 |
| 10 | 二段转化炉压力 | 20 | 合成塔液位 | 30 | 空气阀门 |
表5 合成氨工艺流程监测变量
Table 5 Monitoring variables of synthetic ammonia process flow
| 节点 | 名称 | 节点 | 名称 | 节点 | 名称 |
|---|---|---|---|---|---|
| 1 | 天然气入口流量 | 11 | 工艺空气压缩机流量 | 21 | 合成塔温度 |
| 2 | 软质水入口流量 | 12 | 一段转化炉进口压力 | 22 | 合成塔压力 |
| 3 | 蒸汽阀门 | 13 | 压缩机出口压力 | 23 | 反应物流量 |
| 4 | 蒸汽流量 | 14 | 二段转化炉出口压力 | 24 | 液氨贮槽 |
| 5 | 一段转化炉温度 | 15 | 变换塔冷却器温度 | 25 | 锅炉水预热器 |
| 6 | 一段转化炉流量 | 16 | 变换塔气体出口温度 | 26 | 锅炉水入口温度 |
| 7 | 二段转化炉流量 | 17 | 气液分离器 | 27 | 低变炉入口温度 |
| 8 | 一段转化炉压力 | 18 | 甲烷化炉 | 28 | 低变炉出口成分 |
| 9 | 二段转化炉温度 | 19 | 氨压缩机 | 29 | 天然气阀门 |
| 10 | 二段转化炉压力 | 20 | 合成塔液位 | 30 | 空气阀门 |
| 对比方法 | 平均用时/s | 平均路径数/条 | 平均准确率/% |
|---|---|---|---|
| 传递熵 | 62.76 | 19.12 | 90.23 |
| FPA-kNN | 42.53 | 18.32 | 88.09 |
| DIM-CM-FPA-kNN | 16.37 | 15.00 | 95.08 |
表6 3种方法运行对比
Table 6 Comparison of operation of the three methods
| 对比方法 | 平均用时/s | 平均路径数/条 | 平均准确率/% |
|---|---|---|---|
| 传递熵 | 62.76 | 19.12 | 90.23 |
| FPA-kNN | 42.53 | 18.32 | 88.09 |
| DIM-CM-FPA-kNN | 16.37 | 15.00 | 95.08 |
| [1] | 张中秋, 李宏光, 石逸林. 基于人工预测调控策略的复杂化工过程多任务学习方法[J]. 化工学报, 2023, 74(3): 1195-1204. |
| Zhang Z Q, Li H G, Shi Y L. A multi-task learning approach for complex chemical processes based on manual predictive manipulating strategies[J]. CIESC Journal, 2023, 74(3): 1195-1204. | |
| [2] | 贠程, 王倩琳, 陈锋, 等. 基于社团结构的化工过程风险演化路径深度挖掘[J]. 化工学报, 2023, 74(4): 1639-1650. |
| Yun C, Wang Q L, Chen F, et al. Deep-mining risk evolution path of chemical processes based on community structure[J]. CIESC Journal, 2023, 74(4): 1639-1650. | |
| [3] | 黄雄峰, 王鍚, 朱严严, 等. 考虑传播过程的应急网络控制系统故障恢复[J]. 控制理论与应用, 2024, 41(5): 875-884. |
| Huang X F, Wang Y, Zhu Y Y, et al. Fault recovery of emergency network control system considering propagation processe[J]. Control Theory & Applications, 2024, 41(5): 875-884. | |
| [4] | 申桂香, 栾兰, 张英芝, 等. 加工中心组件故障传播影响力评估[J]. 吉林大学学报(工学版), 2022, 52(1): 63-69. |
| Shen G X, Luan L, Zhang Y Z, et al. Fault propagation impact assessment of machining center components [J]. Journal of Jilin University (Engineering and Technology Edition), 2022, 52(1): 63-69. | |
| [5] | Huang S J, Lu N Y, Jiang B, et al. Fault propagation analysis of computer numerically controlled machine tools[J]. Journal of Manufacturing Systems, 2023, 70: 149-159. |
| [6] | Wang T, Wei X G, Huang T, et al. Modeling fault propagation paths in power systems: a new framework based on event SNP systems with neurotransmitter concentration[J]. IEEE Access, 2019, 7: 12798-12808. |
| [7] | Peng C, Ouyang Y Y, Gui W H, et al. Equipment fault propagation path identification based on unstable points detection[J]. IEEE Transactions on Industrial Informatics, 2024, 20(2): 1596-1606. |
| [8] | 刘鹏鹏, 左洪福, 苏艳, 等. 基于图论模型的故障诊断方法研究进展综述[J]. 中国机械工程, 2013, 24(5): 696-703. |
| Liu P P, Zuo H F, Su Y, et al. Review of research progresses for graph-based models in fault diagnosis method[J]. China Mechanical Engineering, 2013, 24(5): 696-703. | |
| [9] | 梁思远, 周金浛, 高占宝, 等. 机电系统健康状态预测和维修决策的双向优化方法[J]. 仪器仪表学报, 2023, 44(1): 131-142. |
| Liang S Y, Zhou J H, Gao Z B, et al. Bi-directional optimization method for health state prediction and maintenance decision-making of electromechanical systems[J]. Chinese Journal of Scientific Instrument, 2023, 44(1): 131-142. | |
| [10] | Wang Y, Shang X Y, Peng K. Relocating mining microseismic earthquakes in a 3-D velocity model using a windowed cross-correlation technique[J]. IEEE Access, 2020, 8: 37866-37878. |
| [11] | Yang B, Li H G, Wen B. A dynamic time delay analysis approach for correlated process variables[J]. Chemical Engineering Research and Design, 2017, 122: 141-150. |
| [12] | Liu Y, Chen H S, Wu H B, et al. Simplified Granger causality map for data-driven root cause diagnosis of process disturbances[J]. Journal of Process Control, 2020, 95: 45-54. |
| [13] | 李亚晓, 李青山, 王璐, 等. AmazeMap: 基于多层次影响图的微服务故障定位方法[J]. 软件学报, 2024, 35(7): 3115-3140. |
| Li Y X, Li Q S, Wang L, et al. AmazeMap: microservices fault localization method based on multi-level impact graph[J]. Journal of Software, 2024, 35(7): 3115-3140. | |
| [14] | 郭文强, 李建望, 黄梓轩, 等. 基于互信息-主成分分析-贝叶斯网络的化工过程故障诊断方法[J]. 科学技术与工程, 2023, 23(21): 9144-9150. |
| Guo W Q, Li J W, Huang Z X, et al. MPBN-based fault diagnosis method for chemical processes[J]. Science Technology and Engineering, 2023, 23(21): 9144-9150. | |
| [15] | 王林, 宋蓓, 张友卫, 等. 考虑父节点的贝叶斯网络故障路径追溯算法[J]. 计算机科学与探索, 2018, 12(11): 1796-1805. |
| Wang L, Song B, Zhang Y W, et al. Bayesian-network-based fault path tracking algorithm considering parent nodes[J]. Journal of Frontiers of Computer Science and Technology, 2018, 12(11): 1796-1805. | |
| [16] | 冯双, 杨浩, 崔昊, 等. 基于Copula传递熵的设备级和网络级宽频振荡传播路径分析及振荡源定位方法[J]. 电工技术学报, 2023, 11: 1-15. |
| Feng S, Yang H, Cui H, et al. Propagation path analysis and oscillation source location method of device-level and network-level broadband oscillation based on Copula transfer entropy[J]. China Industrial Economics, 2023, 11: 1-15. | |
| [17] | Wu Y C, Zhou Y, Song M. Classification of patients with AD from healthy controls using entropy-based measures of causality brain networks[J]. Journal of Neuroscience Methods, 2021, 361: 109265. |
| [18] | Bauer M, Cox J W, Caveness M H, et al. Nearest neighbors methods for root cause analysis of plantwide disturbances[J]. Industrial & Engineering Chemistry Research, 2007, 46(18): 5977-5984. |
| [19] | Stockmann M, Haber R, Schmitz U. Source identification of plant-wide faults based on k nearest neighbor time delay estimation[J]. Journal of Process Control, 2012, 22(3): 583-598. |
| [20] | Liu H, Pi D C, Qiu S Y, et al. Data-driven identification model for associated fault propagation path[J]. Measurement, 2022, 188: 110628. |
| [21] | 马亮, 彭开香, 董洁. 工业过程故障根源诊断与传播路径识别技术综述[J]. 自动化学报, 2022, 48(7): 1650-1663. |
| Ma L, Peng K X, Dong J. Review of root cause diagnosis and propagation path identification techniques for faults in industrial processes[J]. Acta Automatica Sinica, 2022, 48(7): 1650-1663. | |
| [22] | Landman R, Jämsä-Jounela S L. Fault propagation analysis by implementing nearest neighbors method using process connectivity[J]. IEEE Transactions on Control Systems Technology, 2019, 27(5): 2058-2067. |
| [23] | Chen W Y, Yu M Y, Wu P. Rotor-stator rub-impact fault and position identification of aero-engine based on VMD-MF-cepstrum-KNN[J]. Tribology Transactions, 2023, 66(1): 23-34. |
| [24] | Cecílio I M, Ottewill J R, Fretheim H, et al. Removal of transient disturbances from oscillating measurements using nearest neighbors imputation[J]. Journal of Process Control, 2016, 44: 68-78. |
| [25] | 曹跃, 陈志文, 袁小锋, 等. 部分子块通讯的分布式PCA厂级工业过程监测方法[J]. 控制与决策, 2020, 35(6): 1281-1290. |
| Cao Y, Chen Z W, Yuan X F, et al. Distributed PCA for plant-wide processes monitoring with partial block communication[J]. Control and Decision, 2020, 35(6): 1281-1290. | |
| [26] | 袁健宝, 王政, 徐一凡, 等. 基于复杂网络边负载分配理论的化工过程级联故障风险传播路径[J]. 化工进展, 2019, 38(8): 3525-3533. |
| Yuan J B, Wang Z, Xu Y F, et al. Risk propagation path of cascading fault in chemical process based on edge load distribution in complex network[J]. Chemical Industry and Engineering Progress, 2019, 38(8): 3525-3533. | |
| [27] | Amin M T. An integrated methodology for fault detection, root cause diagnosis, and propagation pathway analysis in chemical process systems[J]. Cleaner Engineering and Technology, 2021, 4: 100187. |
| [28] | Ricker N L. Optimal steady-state operation of the Tennessee Eastman challenge process[J]. Computers & Chemical Engineering, 1995, 19(9): 949-959. |
| [29] | 郑天标, 肖应旺. 基于核主元分析与核密度估计的非线性过程故障监测与识别[J]. 计算机系统应用, 2022, 31(10): 329-334. |
| Zheng T B, Xiao Y W. Nonlinear process fault identification and detection based on KPCA-KDE[J]. Computer System Applications, 2022, 31(10): 329-334. | |
| [30] | 朱君烨. 时序数据驱动的化工过程风险动态预警研究: 以合成氨为例[D]. 昆明: 昆明理工大学, 2023. |
| Zhu J Y. Study on dynamic early warning of chemical process risk driven by time series data: taking synthetic ammonia as an example[D]. Kunming: Kunming University of Science and Technology, 2023. |
| [1] | 李征, 庄铠泽, 赵东杰, 宋燕星, 王功明. 事件驱动的深度信念网络软测量模型设计方法[J]. 化工学报, 2025, 76(4): 1693-1701. |
| [2] | 李诗浩, 吴振华, 赵展烽, 吴洪, 杨冬, 石家福, 姜忠义. 化工过程中的电子传递、质子传递和分子传递[J]. 化工学报, 2024, 75(3): 1052-1064. |
| [3] | 李文华, 叶洪涛, 罗文广, 刘乙奇. 基于MHSA-LSTM的软测量建模及其在化工过程中的应用[J]. 化工学报, 2024, 75(12): 4654-4665. |
| [4] | 邵伟明, 韩文学, 宋伟, 杨勇, 陈灿, 赵东亚. 基于分布式贝叶斯隐马尔可夫回归的动态软测量建模方法[J]. 化工学报, 2023, 74(6): 2495-2502. |
| [5] | 贠程, 王倩琳, 陈锋, 张鑫, 窦站, 颜廷俊. 基于社团结构的化工过程风险演化路径深度挖掘[J]. 化工学报, 2023, 74(4): 1639-1650. |
| [6] | 张中秋, 李宏光, 石逸林. 基于人工预测调控策略的复杂化工过程多任务学习方法[J]. 化工学报, 2023, 74(3): 1195-1204. |
| [7] | 叶凌箭. 化工过程的自优化控制:原理、发展与应用展望[J]. 化工学报, 2023, 74(11): 4445-4465. |
| [8] | 薛峰, 李欣铜, 周琨, 魏志强, 葛晓霞, 葛志强, 宋凯. 基于GLSAFIS的氟化工过程操作单元可靠性监测[J]. 化工学报, 2021, 72(11): 5696-5706. |
| [9] | 冯思琦, 罗雄麟. 模式切换类经济预测控制切换时间在线估计[J]. 化工学报, 2020, 71(S2): 225-240. |
| [10] | 王雅欣,徐宝昌,徐朝农,董秀娟,许立伟. 基于工厂数据的注意力LSTM网络辨识方法[J]. 化工学报, 2020, 71(12): 5664-5671. |
| [11] | 邓佳伟, 邓晓刚, 曹玉苹, 张晓玲. 基于加权统计局部核主元分析的非线性化工过程微小故障诊断方法[J]. 化工学报, 2019, 70(7): 2594-2605. |
| [12] | 黄冬, 罗雄麟. 化工过程大范围工况变化的工况迁移控制策略判定[J]. 化工学报, 2019, 70(5): 1848-1857. |
| [13] | 杨世品, 黄振, 李丽娟, 宋健全, 叶景, 汪辉. 复杂化工过程失配子模型深度诊断与修正算法[J]. 化工学报, 2019, 70(4): 1485-1493. |
| [14] | 邵伟明, 田学民, 宋执环. 基于集成学习的多产品化工过程软测量建模方法[J]. 化工学报, 2018, 69(6): 2551-2559. |
| [15] | 吕小条, 宋冰, 谭帅, 侍洪波. 基于全变量信息的子空间监控方法[J]. 化工学报, 2015, 66(4): 1395-1401. |
| 阅读次数 | ||||||
|
全文 |
|
|||||
|
摘要 |
|
|||||
京公网安备 11010102001995号