化工学报 ›› 2025, Vol. 76 ›› Issue (S1): 360-369.DOI: 10.11949/0438-1157.20250111
• 能源和环境工程 • 上一篇
李卫1(
), 陈浩1(
), 柯钢2, 黄孝胜2, 李成娇2, 郭航1, 叶芳1
收稿日期:2025-02-04
修回日期:2025-02-17
出版日期:2025-06-25
发布日期:2025-06-26
通讯作者:
陈浩
作者简介:李卫(2001—),男,学士,18722988134@163.com
基金资助:
Wei LI1(
), Hao CHEN1(
), Gang KE2, Xiaosheng HUANG2, Chengjiao LI2, Hang GUO1, Fang YE1
Received:2025-02-04
Revised:2025-02-17
Online:2025-06-25
Published:2025-06-26
Contact:
Hao CHEN
摘要:
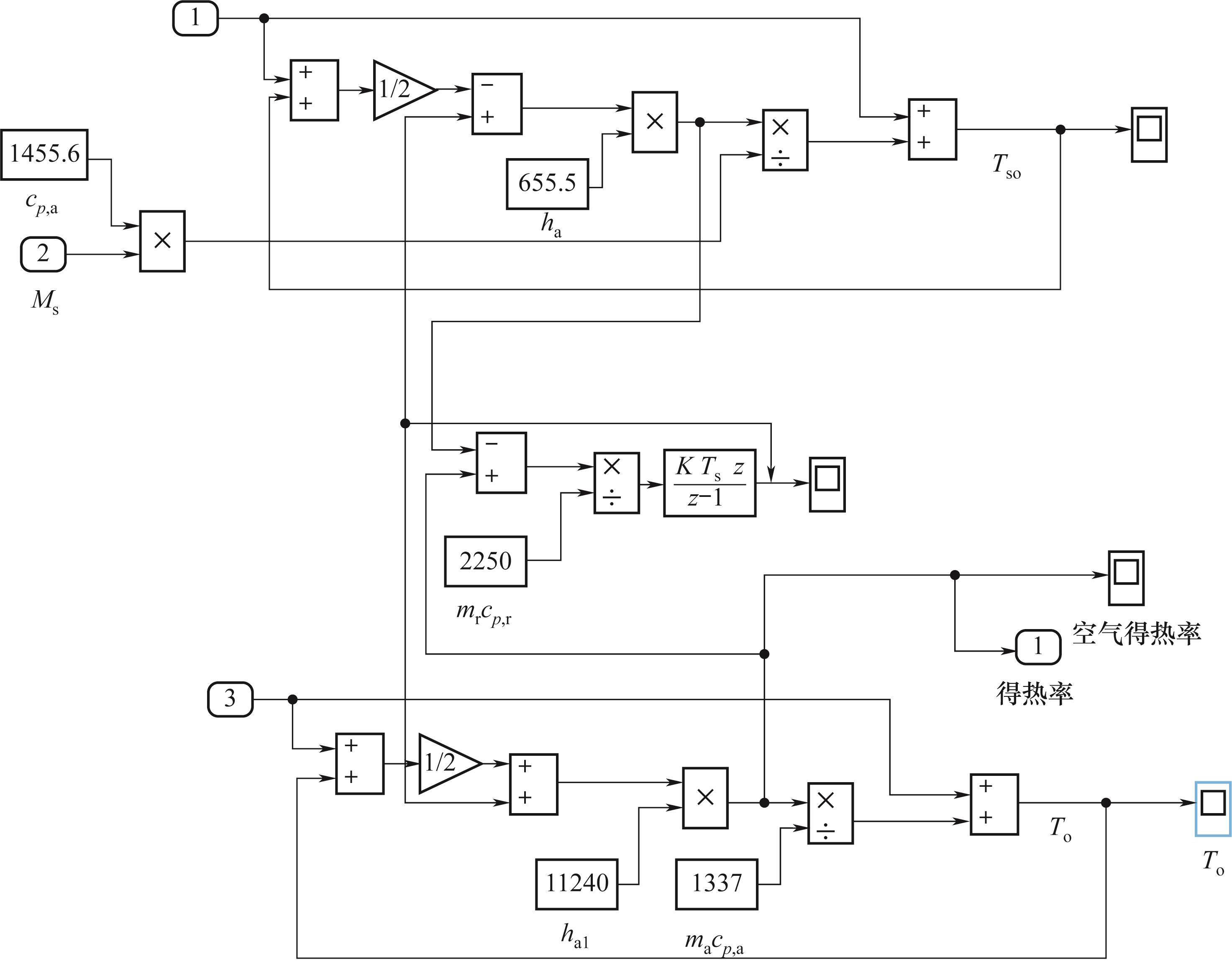
高原环境舱作为一种能够模拟高原条件的特殊设备,在特种设备测试领域具有重要作用,它能够在地面常规条件下提供高原低压、低温等极端运行环境,从而实现在地面常规条件下开展高原测试实验。基于天津市某汽车后勤装备动力设备高原环境模拟平台,对该平台的各个部分进行分析和合理简化后建立数学模型,并在Matlab/Simulink开展仿真研究。结果表明,该高原环境模拟平台的设备选型符合设定的环境试验要求,实现了环境试验舱的绿色高效设计。此外,通过研究PID控制器来研究该环境试验舱的控制逻辑,揭示了温度、湿度和压强之间的相互影响。温度对湿度的调控具有显著的影响,在降温时,当室外环境温度较高时,降温过程中湿度达到平衡所需的时间会相对较短,温度为-20℃时,平衡时间最短,仅需771 s。
中图分类号:
李卫, 陈浩, 柯钢, 黄孝胜, 李成娇, 郭航, 叶芳. 高原环境适应性试验室模拟平台新风系统仿真[J]. 化工学报, 2025, 76(S1): 360-369.
Wei LI, Hao CHEN, Gang KE, Xiaosheng HUANG, Chengjiao LI, Hang GUO, Fang YE. Simulation of the fresh air system in the simulation platform of the high-altitude environmental adaptability laboratory[J]. CIESC Journal, 2025, 76(S1): 360-369.
| 序号 | 参数 | 数值 |
|---|---|---|
| 1 | 空气密度/(kg/m3) | 1.2 |
| 2 | 舱内体积/m3 | 196.664 |
| 3 | 空气比热容/(kJ/(kg·K)) | 1.003 |
| 4 | 铜管比热容/(kJ/(kg·K)) | 0.45 |
| 5 | 新风流量/(m3/s) | 4000/3600 |
| 6 | 换热面积/m2 | 567 |
| 7 | 围护结构墙壁厚度/m | 0.15 |
| 8 | 热导率/(W/(m·K)) | 0.031 |
| 9 | 真空泵抽气速率/(m3/s) | 14900/3600 |
表1 物理参数
Table 1 Physical parameters
| 序号 | 参数 | 数值 |
|---|---|---|
| 1 | 空气密度/(kg/m3) | 1.2 |
| 2 | 舱内体积/m3 | 196.664 |
| 3 | 空气比热容/(kJ/(kg·K)) | 1.003 |
| 4 | 铜管比热容/(kJ/(kg·K)) | 0.45 |
| 5 | 新风流量/(m3/s) | 4000/3600 |
| 6 | 换热面积/m2 | 567 |
| 7 | 围护结构墙壁厚度/m | 0.15 |
| 8 | 热导率/(W/(m·K)) | 0.031 |
| 9 | 真空泵抽气速率/(m3/s) | 14900/3600 |
| 室外温度/℃ | 初始温度/℃ | 目标温度/℃ | 平衡时间/s |
|---|---|---|---|
| -20 | 10 | 45 | 1088 |
| -10 | 10 | 45 | 1072 |
| 0 | 10 | 45 | 1064 |
| 10 | 10 | 45 | 1040 |
| 20 | 10 | 45 | 1024 |
| 30 | 10 | 45 | 1008 |
表2 从10℃升温至45℃时的温度平衡时间
Table 2 Temperature equilibrium time when heating from 10℃ to 45℃
| 室外温度/℃ | 初始温度/℃ | 目标温度/℃ | 平衡时间/s |
|---|---|---|---|
| -20 | 10 | 45 | 1088 |
| -10 | 10 | 45 | 1072 |
| 0 | 10 | 45 | 1064 |
| 10 | 10 | 45 | 1040 |
| 20 | 10 | 45 | 1024 |
| 30 | 10 | 45 | 1008 |
| 室外温度/℃ | 初始温度/℃ | 目标温度/℃ | 平衡时间/s |
|---|---|---|---|
| -20 | 10 | -45 | 1248 |
| -10 | 10 | -45 | 1176 |
| 0 | 10 | -45 | 1136 |
| 10 | 10 | -45 | 1112 |
| 20 | 10 | -45 | 1120 |
| 30 | 10 | -45 | 1152 |
表3 初始温度10℃降至-45℃的温度平衡时间
Table 3 Temperature equilibrium time from initial temperature of 10℃ to -45℃
| 室外温度/℃ | 初始温度/℃ | 目标温度/℃ | 平衡时间/s |
|---|---|---|---|
| -20 | 10 | -45 | 1248 |
| -10 | 10 | -45 | 1176 |
| 0 | 10 | -45 | 1136 |
| 10 | 10 | -45 | 1112 |
| 20 | 10 | -45 | 1120 |
| 30 | 10 | -45 | 1152 |
| 室外温度/℃ | 初始温度/℃ | 目标温度/℃ | 平衡时间/s |
|---|---|---|---|
| 5 | 15 | -45 | 1232 |
| 10 | 15 | -45 | 1216 |
| 15 | 15 | -45 | 1208 |
| 20 | 15 | -45 | 1216 |
| 25 | 15 | -45 | 1224 |
表4 初始温度15℃降至-45℃的温度平衡时间
Table 4 Temperature equilibrium time from initial temperature of 15℃ to -45℃
| 室外温度/℃ | 初始温度/℃ | 目标温度/℃ | 平衡时间/s |
|---|---|---|---|
| 5 | 15 | -45 | 1232 |
| 10 | 15 | -45 | 1216 |
| 15 | 15 | -45 | 1208 |
| 20 | 15 | -45 | 1216 |
| 25 | 15 | -45 | 1224 |
| 室外温度/℃ | 初始温度/℃ | 目标温度/℃ | 平衡时间/s |
|---|---|---|---|
| -10 | 0 | -45 | 1232 |
| -5 | 0 | -45 | 1216 |
| 0 | 0 | -45 | 1208 |
| 5 | 0 | -45 | 1216 |
| 10 | 0 | -45 | 1224 |
表5 初始温度0℃降至-45℃的温度平衡时间
Table 5 Temperature equilibrium time for initial temperature from 0℃ to -45℃
| 室外温度/℃ | 初始温度/℃ | 目标温度/℃ | 平衡时间/s |
|---|---|---|---|
| -10 | 0 | -45 | 1232 |
| -5 | 0 | -45 | 1216 |
| 0 | 0 | -45 | 1208 |
| 5 | 0 | -45 | 1216 |
| 10 | 0 | -45 | 1224 |
| 工况 | 初始压强/Pa | 目标压强/Pa | 平衡时间/s |
|---|---|---|---|
| 1 | 101325 | 90000 | 690 |
| 2 | 101325 | 80000 | 665 |
| 3 | 101325 | 70000 | 632 |
| 4 | 101325 | 60000 | 582 |
| 5 | 101325 | 50000 | 488 |
| 6 | 101325 | 47000 | 436 |
表6 降压的6个工况及平衡时间
Table 6 Six operating conditions and equilibrium time for voltage reduction
| 工况 | 初始压强/Pa | 目标压强/Pa | 平衡时间/s |
|---|---|---|---|
| 1 | 101325 | 90000 | 690 |
| 2 | 101325 | 80000 | 665 |
| 3 | 101325 | 70000 | 632 |
| 4 | 101325 | 60000 | 582 |
| 5 | 101325 | 50000 | 488 |
| 6 | 101325 | 47000 | 436 |
| 室外温度/℃ | 初始湿度 | 目标湿度 | 湿度平衡时间/s |
|---|---|---|---|
| -20 | 0.15 | 0.95 | 771 |
| -10 | 0.15 | 0.95 | 818 |
| 0 | 0.15 | 0.95 | 876 |
| 10 | 0.15 | 0.95 | 951 |
| 20 | 0.15 | 0.95 | 1047 |
| 30 | 0.15 | 0.95 | 1149 |
表7 升温时室外温度与湿度平衡时间的关系
Table 7 Relationship between outdoor temperature and humidity equilibrium time during temperature rise
| 室外温度/℃ | 初始湿度 | 目标湿度 | 湿度平衡时间/s |
|---|---|---|---|
| -20 | 0.15 | 0.95 | 771 |
| -10 | 0.15 | 0.95 | 818 |
| 0 | 0.15 | 0.95 | 876 |
| 10 | 0.15 | 0.95 | 951 |
| 20 | 0.15 | 0.95 | 1047 |
| 30 | 0.15 | 0.95 | 1149 |
| 室外温度/℃ | 初始湿度 | 目标湿度 | 湿度平衡时间/s |
|---|---|---|---|
| -20 | 0.15 | 0.95 | 231 |
| -10 | 0.15 | 0.95 | 211 |
| 0 | 0.15 | 0.95 | 195 |
| 10 | 0.15 | 0.95 | 183 |
| 20 | 0.15 | 0.95 | 172 |
| 30 | 0.15 | 0.95 | 163 |
表8 降温时室外温度与湿度平衡时间的关系
Table 8 Relationship between outdoor temperature and humidity equilibrium time during cooling
| 室外温度/℃ | 初始湿度 | 目标湿度 | 湿度平衡时间/s |
|---|---|---|---|
| -20 | 0.15 | 0.95 | 231 |
| -10 | 0.15 | 0.95 | 211 |
| 0 | 0.15 | 0.95 | 195 |
| 10 | 0.15 | 0.95 | 183 |
| 20 | 0.15 | 0.95 | 172 |
| 30 | 0.15 | 0.95 | 163 |
| 目标压强/Pa | 初始湿度 | 目标湿度 | 平衡时间/s |
|---|---|---|---|
| 90000 | 0.15 | 0.95 | 313 |
| 80000 | 0.15 | 0.95 | 360 |
| 70000 | 0.15 | 0.95 | 427 |
| 60000 | 0.15 | 0.95 | 532 |
| 50000 | 0.15 | 0.95 | 747 |
| 47000 | 0.15 | 0.95 | 876 |
表9 目标压强与湿度平衡时间的关系
Table 9 Relationship between target pressure and humidity equilibrium time
| 目标压强/Pa | 初始湿度 | 目标湿度 | 平衡时间/s |
|---|---|---|---|
| 90000 | 0.15 | 0.95 | 313 |
| 80000 | 0.15 | 0.95 | 360 |
| 70000 | 0.15 | 0.95 | 427 |
| 60000 | 0.15 | 0.95 | 532 |
| 50000 | 0.15 | 0.95 | 747 |
| 47000 | 0.15 | 0.95 | 876 |
| 1 | 王寅, 耿金涛, 孙华锋, 等. 汽车高原环境模拟试验室[J]. 工程与试验, 2014, 54(03): 55-57. |
| Wang Y, Geng J T, Sun H F, et al. Development of automobile altitude climatic simulation laboratory[J]. Engineering & Test, 2014, 54(3): 55-57. | |
| 2 | Yang L J, Lei J L, Wang Z J, et al. Impacts of different ambient temperatures on cold-start characteristics of speed-up duration of an ISAD hybrid diesel engine in plateau[J]. Fuel, 2025, 381: 133492. |
| 3 | Cao Y H, Zhao H G, Zhang S J, et al. Impacts of ethanol blended fuels and cold temperature on VOC emissions from gasoline vehicles in China[J]. Environmental Pollution, 2024, 348: 123869. |
| 4 | Shu Z Y, Qing S, Yang X, et al. A molecular toxicological study to explore potential health risks associated with ultrafine particle exposure in cold and humid indoor environments[J]. Ecotoxicology and Environmental Safety, 2025, 289: 117638. |
| 5 | Zhu P H, Chen X T, Liu H, et al. Recycling of waste recycled aggregate concrete in freeze-thaw environment and emergy analysis of concrete recycling system[J]. Journal of Building Engineering, 2024, 96: 110377. |
| 6 | Liu M T, Liu H, Zhu P H, et al. Recycling potential evaluation of geopolymer concrete with different cementitious system used in freeze-thaw environment[J]. Case Studies in Construction Materials, 2024, 21: e03535. |
| 7 | Che Y X, Song Y J, Yang H M, et al. Creep properties and model of fractured sandstone under freezing environment[J]. Geomechanics for Energy and the Environment, 2024, 38: 100554. |
| 8 | 王晓明. 军事极端环境模拟技术与设施发展趋势及建设策略[D]. 北京: 中国人民解放军军事医学科学院, 2017. |
| Wang X M. Development trend and construction strategy of military extreme environment simulation technology and facilities[D]. Beijing: PLA Academy of Military Medical Sciences, 2017. | |
| 9 | 李建林, 刘卓林, 陈晓燕, 等. 红外焦平面探测器杜瓦组件的热致破坏及其环境试验[J]. 红外与激光工程, 2022, 51(4): 152-161. |
| Li J L, Liu Z L, Chen X Y, et al. Thermal damage of infrared focal plane detector Dewar and its environmental test[J]. Infrared and Laser Engineering, 2022, 51(4): 152-161. | |
| 10 | 韩璐, 冯麟涵, 张磊, 等. 潜艇设备冲击试验舱段环境特性研究[J]. 振动与冲击, 2019, 38(21): 80-85. |
| Han L, Feng L H, Zhang L, et al. Environmental characteristics of submarine equipment's impact test section[J]. Journal of Vibration and Shock, 2019, 38(21): 80-85. | |
| 11 | 郭鹏, 王永岩, 冯学志, 等. 岩石力学实验高低温环境试验箱的研制与应用[J]. 实验力学, 2020, 35(1): 118-126. |
| Guo P, Wang Y Y, Feng X Z, et al. Development and application of test chamber for rock mechanics test in high and low temperature environments[J]. Journal of Experimental Mechanics, 2020, 35(1): 118-126. | |
| 12 | 冀树德, 张勃, 刘峰春, 等. 柴油机高原动力性能仿真及环境模拟系统影响分析[J]. 车用发动机, 2020(4): 84-92. |
| Ji S D, Zhang B, Liu F C, et al. Power performance simulation of diesel engine at high altitude and influence analysis of environmental simulation system[J]. Vehicle Engine, 2020(4): 84-92. | |
| 13 | 徐国稳. 基于Simulink/Fluent协同循环的空调系统与房间热环境模拟[D]. 武汉: 华中科技大学, 2021. |
| Xu G W. Simulation of air conditioning system and room thermal environment based on Simulink/Fluent collaborative cycle[D]. Wuhan: Huazhong University of Science and Technology, 2021. | |
| 14 | 金朝. 基于TRNSYS和Matlab/Simulink的空调系统建模和控制优化[D]. 合肥: 合肥工业大学, 2022. |
| Jin Z. Modeling and control optimization of air conditioning system based on TRNSYS and Matlab/Simulink[D]. Hefei: Hefei University of Technology, 2022. | |
| 15 | 王翠华, 戴玉龙, 蔡培力. 基于Matlab/Simulink环境下空调房间仿真模型的建立[J]. 大连水产学院学报, 2005, 20(2): 128-131. |
| Wang C H, Dai Y L, Cai P L. Establishing a simulation model for an air-conditioning room using Matlab/Simulink toolbox[J]. Journal of Dalian Fisheries University, 2005, 20(2): 128-131. | |
| 16 | 葛建坤, 罗金耀. 基于Simulink的温室热环境仿真模型研究[J]. 灌溉排水学报, 2013, 32(2): 86-89. |
| Ge J K, Luo J Y. Simulation model based on Simulink of thermal environment for greenhouse[J]. Journal of Irrigation and Drainage, 2013, 32(2): 86-89. | |
| 17 | Smolka J, Nowak A J, Rybarz D. Improved 3-D temperature uniformity in a laboratory drying oven based on experimentally validated CFD computations[J]. Journal of Food Engineering, 2010, 97(3): 373-383. |
| 18 | Su Y P, Yu Q M, Zeng L. Parameter self-tuning PID control for greenhouse climate control problem[J]. IEEE Access, 2020, 8: 186157-186171. |
| 19 | 李可, 庞丽萍, 刘旺开, 等. 环境模拟舱体的建模仿真及控制方法[J]. 北京航空航天大学学报, 2007, 33(5): 535-538. |
| Li K, Pang L P, Liu W K, et al. System model simulation and control method used in environmental simulation chambers[J]. Journal of Beijing University of Aeronautics and Astronautics, 2007, 33(5): 535-538. | |
| 20 | 王建刚, 杨洪涛, 于晓周, 等. 大型气候环境试验舱冷热端温度动态模糊PID协调控制[J]. 光学精密工程, 2022, 30(24): 3159-3167. |
| Wang J G, Yang H T, Yu X Z, et al. Dynamic fuzzy-PID coordinated control of the cool-hot end temperature of large climate environmental test chambers[J]. Optics and Precision Engineering, 2022, 30(24): 3159-3167. | |
| 21 | 王鹏英. 模糊Smith在温控系统中的仿真研究[J]. 计算机仿真, 2011, 28(6): 247-250. |
| Wang P Y. Simulation on temperature control system based on fuzzy Smith[J]. Computer Simulation, 2011, 28(6): 247-250. | |
| 22 | 杜明明. 变风量空调系统的Simulink建模与仿真研究[D]. 哈尔滨: 哈尔滨工业大学, 2006. |
| Du M M. Simulink modeling and simulation of VAV air conditioning system[D]. Harbin: Harbin Institute of Technology, 2006. | |
| 23 | 阚丹青, 唐良宝, 赵智林. 基于MATLAB的空调房间温控系统的仿真研究[J]. 世界科技研究与发展, 2011, 33(1): 110-113. |
| Kan D Q, Tang L B, Zhao Z L. Simulation of air-conditioned room temperature control system based on MATLAB[J]. World Sci-Tech R$D, 2011, 33(1): 110-113. | |
| 24 | 王建明, 李训铭. 变风量系统空调房间建模与特性参数估算[J]. 计算机仿真, 2002, 19(4): 69-72. |
| Wang J M, Li X M. Modeling and estimating of the characteristic parameters for the air conditioning room of the VAV system[J]. Computer Simulation, 2002, 19(4): 69-72. | |
| 25 | 王翠华, 战洪仁, 寇丽萍, 等. 建立变风量空调房间仿真模型的一种简便方法[J]. 沈阳化工学院学报, 2005, 19(3): 220-223. |
| Wang C H, Zhan H R, Kou L P, et al. A simple method of establishing simulated model for VAV air-conditioning room[J]. Journal of Shenyang Institute of Chemical Technology, 2005, 19(3): 220-223. | |
| 26 | Khosravi-Bizhaem H, Abbassi A, Zivari Ravan A. Heat transfer enhancement and pressure drop by pulsating flow through helically coiled tube: an experimental study[J]. Applied Thermal Engineering, 2019, 160: 114012. |
| 27 | 王晓冬, 巴德纯, 张世伟, 等. 真空技术[M]. 北京: 冶金工业出版社, 2006. |
| Wang X D, Ba D C, Zhang S W, et al. Vacuum Technique[M]. Beijing: Metallurgical Industry Press, 2006. |
| [1] | 石一帆, 柯钢, 陈浩, 黄孝胜, 叶芳, 李成娇, 郭航. 大型高低温环境实验室温度控制仿真[J]. 化工学报, 2025, 76(S1): 268-280. |
| [2] | 邵明成, 潘玉贵, 王增丽, 赵强. CO2/CH4混合物理论跨临界增压过程的热力性能研究[J]. 化工学报, 2024, 75(10): 3742-3751. |
| [3] | 董宜放, 于樱迎, 胡学功, 裴刚. 电场对竖直微槽润湿及毛细流动特性影响[J]. 化工学报, 2022, 73(7): 2952-2961. |
| [4] | 方远鑫, 肖武, 姜晓滨, 李祥村, 贺高红, 吴雪梅. 膜分离耦合CO2电催化加氢制甲酸工艺的设计及模拟[J]. 化工学报, 2021, 72(9): 4740-4749. |
| [5] | 于仙毅, 巫江虹, 高云辉. 基于主成分分析与支持向量机的热泵系统制冷剂泄漏识别研究[J]. 化工学报, 2020, 71(7): 3151-3164. |
| [6] | 黄耀波, 刘佳新, 徐祖华, 赵均, 邵之江. 基于PWA融合模型的注塑过程保压段建模及控制策略[J]. 化工学报, 2020, 71(3): 1103-1110. |
| [7] | 郑传杰, 盛昌栋. 高温烟气中吸附剂捕集K的模型及其反应动力学研究[J]. 化工学报, 2019, 70(6): 2259-2268. |
| [8] | 张壮, 邓春, 孙海兰, 冯霄. 除盐水系统建模与物料衡算分析[J]. 化工学报, 2019, 70(2): 646-652. |
| [9] | 尤东江, 魏建云, 李雪菁, 娄景媛. 基于框架设计的液流电池流场优化模拟研究[J]. 化工学报, 2019, 70(11): 4437-4448. |
| [10] | 周新志, 邵伦, 李荣昆, 赵成萍, 董晨龙. 基于小波去噪和改进型PSO-SVM的微波加热温度预测模型研究[J]. 化工学报, 2018, 69(S2): 291-299. |
| [11] | 张培昆, 王立. 空分短期停车时间阈值对氧气生产调度的影响[J]. 化工学报, 2017, 68(6): 2423-2433. |
| [12] | 董泽, 陈利平, 陈网桦, 马莹莹. 密闭容器内失控反应超压的数学建模及其在压力泄放中的应用[J]. 化工学报, 2017, 68(11): 4453-4460. |
| [13] | 曾帅, 史智俊, 王鹏, 张国磊, 孙宝芝, 阙晨宇, 马彪, 李健. 舰用蒸汽动力系统主汽压力控制方法仿真[J]. 化工学报, 2016, 67(S1): 334-340. |
| [14] | 马彪, 李彦军, 郭家敏, 张国磊, 宋福元, 李健, 曾帅, 张晓宇. 不同充汽方式下供汽系统动态特性仿真[J]. 化工学报, 2016, 67(S1): 326-333. |
| [15] | 陈骏, 周伟国, 王海, 李苏. 基于等效电法的钢铁企业蒸汽系统多目标运行优化策略[J]. 化工学报, 2016, 67(9): 3804-3811. |
| 阅读次数 | ||||||
|
全文 |
|
|||||
|
摘要 |
|
|||||
京公网安备 11010102001995号