• •
收稿日期:2025-10-15
修回日期:2025-12-07
出版日期:2026-01-04
通讯作者:
刘琳琳
作者简介:李良君(1999—),男,硕士研究生,llj@mail.dlut.edu.cn
基金资助:
Liangjun LI(
), Ruimeng ZHANG, Yu ZHUANG, Jian DU, Linlin LIU(
)
Received:2025-10-15
Revised:2025-12-07
Online:2026-01-04
Contact:
Linlin LIU
摘要:
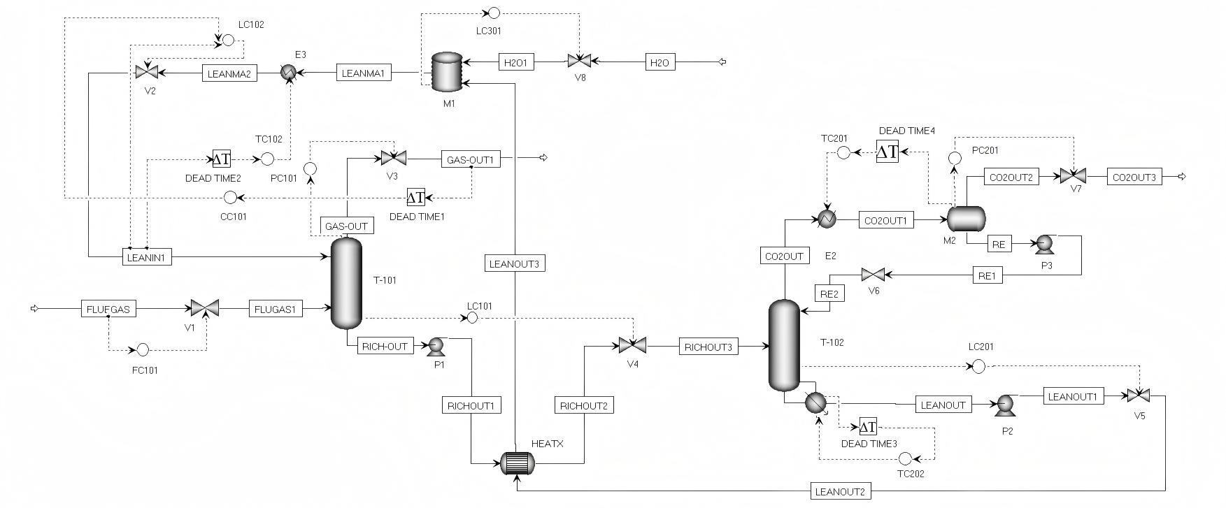
为提升电厂-碳捕集系统的运行效能,本研究建立了碳捕集过程的稳态与动态机理模型,通过阶跃响应实验辨识其动态特性及关键输入变量,并将关键响应时间常数作为约束引入调度模型。在此基础上,提出了一种协调调度策略,该策略计及电厂负荷波动与碳捕集系统的动态延迟响应,通过引入储罐、烟气旁路等灵活运行手段,在充分挖掘碳捕集系统调节潜力、提升电厂经济性与实现减排目标的同时,确保了调度方案与各单元动态运行特性的相容性及实际可行性。算例结果表明,相较于传统不考虑延迟的调度策略,本研究提出的方法不仅在日运行成本上略有降低,并且可针对系统动态惯性问题实现前瞻性调度,在第一个用电高峰期及之前时段(1~10h),富液储罐主动储存CO2的能力提高40.3%,有效避免了储罐液位触及安全运行下限;在第二个用电高峰期及之前时段(18~24h),将前期储存的CO2主动释放,使同期CO2产量较传统策略提升93.8%,其全天产量占比由19.68%提高至38.13%,显著的平滑了产品输出波动,保障CO2产品流量的稳定供应,提升与下游碳利用产业链的协同效率。
中图分类号:
李良君, 张芮萌, 庄钰, 都健, 刘琳琳. 考虑延迟特性的电厂-碳捕集系统优化调度[J]. 化工学报, DOI: 10.11949/0438-1157.20251139.
Liangjun LI, Ruimeng ZHANG, Yu ZHUANG, Jian DU, Linlin LIU. Optimal scheduling of power plant carbon capture system considering delay characteristics[J]. CIESC Journal, DOI: 10.11949/0438-1157.20251139.
| 反应类型 | 化学方程式 |
|---|---|
| 还原氨基甲酸盐 | |
| MEA去质子化 | |
| 生成碳酸氢盐 | |
| 生成碳酸盐 | |
| 水解离 |
表1 吸收/解吸塔中平衡反应方程式
Table 1 Equilibrium reaction equation in absorption/desorption tower
| 反应类型 | 化学方程式 |
|---|---|
| 还原氨基甲酸盐 | |
| MEA去质子化 | |
| 生成碳酸氢盐 | |
| 生成碳酸盐 | |
| 水解离 |
| 塔设备 | 参数 | 数值 |
|---|---|---|
| 吸收塔 | 塔高 | 18 m |
| 塔径 | 12 m | |
| 温度(塔釜) | 318.5 K | |
| 压力 | 101.3 kPa | |
| 填料类型 | IMTP#50 | |
| 填料信息 | NORTON-METAL | |
| 填料规格 | 2-IN OR 50-MM | |
| 解吸塔 | 塔高 | 18 m |
| 塔径 | 10 m | |
| 温度(塔釜) | 389 K | |
| 压力 | 150 kPa | |
| 填料类型 | SULZER-STANDARD | |
| 填料信息 | MELLAPAK | |
| 填料规格 | 250Y |
表2 PCC系统的主要设备参数
Table 2 Equipment parameters of PCC system
| 塔设备 | 参数 | 数值 |
|---|---|---|
| 吸收塔 | 塔高 | 18 m |
| 塔径 | 12 m | |
| 温度(塔釜) | 318.5 K | |
| 压力 | 101.3 kPa | |
| 填料类型 | IMTP#50 | |
| 填料信息 | NORTON-METAL | |
| 填料规格 | 2-IN OR 50-MM | |
| 解吸塔 | 塔高 | 18 m |
| 塔径 | 10 m | |
| 温度(塔釜) | 389 K | |
| 压力 | 150 kPa | |
| 填料类型 | SULZER-STANDARD | |
| 填料信息 | MELLAPAK | |
| 填料规格 | 250Y |
| 主要参数 | 数值 |
|---|---|
| CO2捕集率 | 89% |
| 换热器热负荷 | 69.7 MW |
| 再沸器热负荷 | 318.6 MW |
| 冷凝器热负荷 | -165.9 MW |
| 富液CO2负荷 | 0.538 molCO2/molMEA |
| 温度(贫液) | 313 K |
| 压力 | 150 kPa |
| 质量流量 | 660 kg/s |
| 各组分质量分数 | 0.0618 CO2 |
| 0.6334 H2O | |
| 0.3048 MEA | |
| CO2负荷(解吸后) | 0.286 molCO2/molMEA |
| 温度(烟气) | 333 K |
| 压力 | 110 kPa |
| 质量流量 | 200 kg/s |
| 组分质量分数[ | 0.209 CO2 |
| 0.042 H2O | |
| 0.748 N2 | |
| 0.001 O2 |
表3 PCC系统的主要运行参数
Table 3 Operating parameters of PCC system
| 主要参数 | 数值 |
|---|---|
| CO2捕集率 | 89% |
| 换热器热负荷 | 69.7 MW |
| 再沸器热负荷 | 318.6 MW |
| 冷凝器热负荷 | -165.9 MW |
| 富液CO2负荷 | 0.538 molCO2/molMEA |
| 温度(贫液) | 313 K |
| 压力 | 150 kPa |
| 质量流量 | 660 kg/s |
| 各组分质量分数 | 0.0618 CO2 |
| 0.6334 H2O | |
| 0.3048 MEA | |
| CO2负荷(解吸后) | 0.286 molCO2/molMEA |
| 温度(烟气) | 333 K |
| 压力 | 110 kPa |
| 质量流量 | 200 kg/s |
| 组分质量分数[ | 0.209 CO2 |
| 0.042 H2O | |
| 0.748 N2 | |
| 0.001 O2 |
| 时间/h | 1 | 2 | 3 | 4 | 5 | 6 | 7 | 8 | 9 | 10 | 11 | 12 |
|---|---|---|---|---|---|---|---|---|---|---|---|---|
| 电负荷/MW | 112.5 | 120.8 | 127.3 | 132.3 | 148.7 | 161.7 | 185.3 | 198.8 | 191.1 | 175.1 | 162.9 | 151.9 |
表4 日电负荷需求波动
Table.4 Electric load demand fluctuation
| 时间/h | 1 | 2 | 3 | 4 | 5 | 6 | 7 | 8 | 9 | 10 | 11 | 12 |
|---|---|---|---|---|---|---|---|---|---|---|---|---|
| 电负荷/MW | 112.5 | 120.8 | 127.3 | 132.3 | 148.7 | 161.7 | 185.3 | 198.8 | 191.1 | 175.1 | 162.9 | 151.9 |
| 相关项目 | 结果/(USD·day-1) | |
|---|---|---|
| 不考虑延迟的传统调度的电厂 | 考虑延迟调度的电厂 | |
| 燃煤成本 | 374568.16 | 374193.30 |
| CO2排放惩罚成本 | 121946.49 | 121714.92 |
| 购电成本 | 11707.90 | 11707.90 |
| 操作成本 | 29617.50 | 29591.95 |
| 日成本 | 537840.05 | 537208.09 |
表5 计算结果表
Table.5 Calculation results
| 相关项目 | 结果/(USD·day-1) | |
|---|---|---|
| 不考虑延迟的传统调度的电厂 | 考虑延迟调度的电厂 | |
| 燃煤成本 | 374568.16 | 374193.30 |
| CO2排放惩罚成本 | 121946.49 | 121714.92 |
| 购电成本 | 11707.90 | 11707.90 |
| 操作成本 | 29617.50 | 29591.95 |
| 日成本 | 537840.05 | 537208.09 |
| [1] | 张建宇, 潘荔, 杨帆, 等. 中国燃煤电厂大气污染物控制现状分析[J]. 环境工程技术学报, 2011, 1(3): 185-196. |
| Zhang J Y, Pan L, Yang F, et al. Current status of air pollutant control in China's coal-fired power plants[J]. Journal of Environmental Engineering Technology, 2011, 1(3): 185-196. | |
| [2] | 贾子奕, 刘卓, 张力小, 等. 中国碳捕集、利用与封存技术发展与展望[J]. 中国环境管理, 2022, 14(6): 81-87. |
| Jia Z Y, Liu Z, Zhang L X, et al. Development and prospect of carbon capture, utilization and storage technology in China[J]. Chinese Journal of Environmental Management, 2022, 14(6): 81-87. | |
| [3] | Fragkos P. Assessing the role of carbon capture and storage in mitigation pathways of developing economies[J]. Energies, 2021, 14(7): 1879-1899. |
| [4] | Leung D Y C, Caramanna G, Maroto-Valer M M. An overview of current status of carbon dioxide capture and storage technologies[J]. Renewable and Sustainable Energy Reviews, 2014, 39: 426-443. |
| [5] | 季东, 王健, 王可, 等. 不同CO2捕集技术的CO2耦合绿氢制甲醇工艺研究[J]. 化工学报, 2022, 73(10): 4565-4575. |
| Ji D, Wang J, Wang K, et al. Process research of methanol production by CO2 coupled green hydrogen with different CO2 capture technologies[J]. CIESC Journal, 2022, 73(10): 4565-4575. | |
| [6] | Jiang K, Ashworth P. The development of Carbon Capture Utilization and Storage (CCUS) research in China: a bibliometric perspective[J]. Renewable and Sustainable Energy Reviews, 2021, 138: 110521. |
| [7] | 陈婉. 搭建碳循环模式 提升碳减排能力 中国石化开建我国首个百万吨级CCUS项目[J]. 环境经济, 2021(13): 58-59. |
| Chen W. Build a carbon cycle model to enhance carbon emission reduction capacity. China Petrochemical started the first million-ton CCUS project in China[J]. Environmental Economy, 2021(13): 58-59. | |
| [8] | Veluturla S, Singh S, Fatima S, et al. A comprehensive review of carbon dioxide sequestration: Exploring diverse methods for effective post combustion CO2 capture, transport, and storage[J]. Environmental Engineering Research, 2024, 30(1): 230452. |
| [9] | 李贵贤, 王可, 王健, 等. 膜分离捕集燃煤电厂烟气CO2过程优化设计[J]. 化工学报, 2022, 73(11): 5065-5077. |
| Li G X, Wang K, Wang J, et al. Optimal design of membrane separation process for capturing CO2 from flue gas of coal-fired power plant[J]. CIESC Journal, 2022, 73(11): 5065-5077. | |
| [10] | Wang S, Wang N N, Jia Z G, et al. Thermal economy simulation study for a carbon capture power plant with combined heat and power based on absorption heat pump technology[J]. Energy Conversion and Management, 2024, 300: 117958. |
| [11] | Van P, Delarue E. Opportunities for applying solvent storage to power plants with post-combustion carbon capture[J]. International Journal of Greenhouse Gas Control, 2014, 21: 203-213. |
| [12] | Cohen S M, Rochelle G T, Webber M E. Optimal operation of flexible post-combustion CO2 capture in response to volatile electricity prices[J]. Energy Procedia, 2011, 4: 2604-2611. |
| [13] | 于雪菲, 张帅, 刘琳琳, 等. 电厂和碳捕集装置同步集成与调度优化研究[J]. 化工学报, 2021, 72(3): 1447-1456. |
| Yu X F, Zhang S, Liu L L, et al. Simultaneous integration and scheduling of power plant and carbon capture device[J]. CIESC Journal, 2021, 72(3): 1447-1456. | |
| [14] | 焦竞, 刘琳琳, 都健. 基于代理模型的碳捕集与电厂集成调度优化[J]. 化工进展, 2024, 43(11): 6059-6067. |
| Jiao J, Liu L L, Du J. Optimization of carbon capture and power plant integrated scheduling based on proxy model[J]. Chemical Industry and Engineering Progress, 2024, 43(11): 6059-6067. | |
| [15] | Wang M, Lawal A, Stephenson P, et al. Post-combustion CO2 capture with chemical absorption: a state-of-the-art review[J]. Chemical Engineering Research and Design, 2011, 89(9): 1609-1624. |
| [16] | Nittaya T, Douglas P L, Croiset E, et al. Dynamic modelling and control of MEA absorption processes for CO2 capture from power plants[J]. Fuel, 2014, 116: 672-691. |
| [17] | Wu X, Shen J, Li Y G, et al. Flexible operation of post-combustion solvent-based carbon capture for coal-fired power plants using multi-model predictive control: a simulation study[J]. Fuel, 2018, 220: 931-941. |
| [18] | 康重庆, 季震, 陈启鑫. 碳捕集电厂灵活运行方法评述与展望[J]. 电力系统自动化, 2012, 36(6): 1-10. |
| Kang C /Z)Q, Ji Z, Chen Q X. Review and prospects of flexible operation of carbon capture power plants[J]. Automation of Electric Power Systems, 2012, 36(6): 1-10. | |
| [19] | Chatziasteriou C C, Kikkinides E S, Georgiadis M C. Recent advances on the modeling and optimization of CO2 capture processes[J]. Computers Chemical Engineering, 2022, 165: 107938. |
| [20] | Akula P, Lee A, Eslick J, et al. A modified electrolyte non-random two-liquid model with analytical expression for excess enthalpy: Application to the MEA-H2O-CO2 system[J]. AIChE Journal, 2023, 69(1): e17935. |
| [21] | 郑婷婷. 燃煤电厂燃烧后二氧化碳捕集系统的性能模拟与集成优化[D]. 上海: 上海交通大学, 2017. |
| Zheng T T. Performance simulation and integrated optimization of post-combustion CO2 capture system in coal-fired power plants[D]. Shanghai: Shanghai Jiao Tong University, 2017. | |
| [22] | 贾东晓. 基于化学吸附的燃烧后CO2捕集系统非线性分析及控制研究[D]. 南京: 东南大学, 2019. |
| Jia D X. Nonlinearity analysis and control of solvent-based post-combustion CO2 capture system[D]. Nanjing: Southeast University, 2019. | |
| [23] | 王亚男, 刘琳琳, 庄钰, 等. 基于代理模型的环氧乙烷制乙二醇工艺优化同步热集成[J]. 化工进展, 2024, 43(9): 5234-5241. |
| Wang Y N, Liu L L, Zhuang Y, et al. Synchronous optimization and heat integration of the production process from EO to EG based on surrogate model[J]. Chemical Industry and Engineering Progress, 2024, 43(9): 5234-5241. | |
| [24] | Xi H, Zhu M J, Lee K Y, et al. Multi-timescale and control-perceptive scheduling approach for flexible operation of power plant-carbon capture system[J]. Fuel, 2023, 331: 125695. |
| [25] | 孙兰义. 化工流程模拟实训: Aspen Plus教程[M]. 北京: 化学工业出版社, 2012: 527 |
| Sun L Y. Chemical Engineering Process Simulation Using Aspen Plus[M]. Beijing: Chemical Industry Press, 2012: 527 | |
| [26] | Rodriguez J, Andrade A, Lawal A, et al. An integrated framework for the dynamic modelling of solvent-based CO2 capture processes[J]. Energy Procedia, 2014, 63: 1206-1217. |
| [27] | Luu M T, Abdul Manaf N, Abbas A. Dynamic modelling and control strategies for flexible operation of amine-based post-combustion CO2 capture systems[J]. International Journal of Greenhouse Gas Control, 2015, 39: 377-389. |
| [28] | 陈时熠,曹欣欣,陈姝屹,等.基于燃烧前CO2捕集与封存的IGCC全生命周期碳排放及环境评价[J/OL].化工学报,1-20. |
| Chen Shiyi, Cao Xinxin, Chen Shuyi, et al. Life cycle carbon emission and environment assessment of pre-combustion IGCC power plant[J/OL]. CIESC Journal, 1-20. | |
| 陈时熠, 曹欣欣, 陈姝屹, 等. 基于燃烧前CO2捕集与封存的IGCC全生命周期碳排放及环境评价[J/OL]. 化工学报, 2025:1-20. (2025-10-27). . | |
| Chen S Y, Cao X X, Chen S Y, et al. Life cycle carbon emission and environment assessment of pre-combustion IGCC power plant[J/OL]. CIESC Journal, 2025: 1-20. (2025-10-27). . | |
| [29] | Dugas R E. Pilot plant study of carbon dioxide capture by aqueous monoethanolamine[D]. Austin: The University of Texas at Austin,2006. |
| [30] | Liao P Z, Wu X, Li Y G, et al. Application of piece-wise linear system identification to solvent-based post-combustion carbon capture[J]. Fuel, 2018, 234: 526-537. |
| [31] | Taqvi S A A, Zabiri H, Singh S K M, et al. Investigation of control performance on an absorption/stripping system to remove CO2 achieving clean energy systems[J]. Fuel, 2023, 347: 128394. |
| [32] | Chen X H, Wu X, Lee K Y. The mutual benefits of renewables and carbon capture: Achieved by an artificial intelligent scheduling strategy[J]. Energy Conversion and Management, 2021, 233: 113856. |
| [33] | Chen Q X, Kang C Q, Xia Q, et al. Optimal flexible operation of a CO2 capture power plant in a combined energy and carbon emission market[J]. IEEE Transactions on Power Systems, 2012, 27(3): 1602-1609. |
| [34] | Wei C J, Wang H, Xie X M, et al. GAMS User Guide[M]. Beijing: China Water Power Press, 2009 |
| [1] | 马爱华, 赵帅, 王林, 常明慧. 太阳能吸收制冷循环动态特性仿真方法研究[J]. 化工学报, 2025, 76(S1): 318-325. |
| [2] | 王三一, 黄文来. 电化学合成氨流程建模与优化[J]. 化工学报, 2025, 76(9): 4474-4486. |
| [3] | 刘沁雯, 叶恒冰, 张逸伟, 朱法华, 钟文琪. 煤与禽类粪便混合燃料的加压富氧燃烧特性研究[J]. 化工学报, 2025, 76(7): 3487-3497. |
| [4] | 陈佳祥, 周伟, 张学伟, 王丽杰, 黄玉明, 于洋, 孙苗婷, 李宛静, 袁骏舒, 张宏博, 孟晓晓, 高继慧, 赵广播. 脉冲电压下二维PEMWE模型的制氢特性仿真研究[J]. 化工学报, 2025, 76(7): 3521-3530. |
| [5] | 王芳, 马素霞, 田营, 刘众元. 基于LSTM动态修正一维机理模型的CFB机组NO x 排放浓度预测方法[J]. 化工学报, 2025, 76(7): 3416-3425. |
| [6] | 娄嘉诚, 常福城, 刘也铭, 李志斌, 李熙, 李会雄. 1000 MW超超临界直流锅炉水冷壁瞬态响应特性的建模与仿真研究[J]. 化工学报, 2025, 76(6): 2638-2651. |
| [7] | 陈建兵, 常昊, 高明, 邢兵, 张磊, 刘奇磊. 基于反应模板与分子动力学的胺基相变吸收剂分相预测方法[J]. 化工学报, 2025, 76(5): 2387-2396. |
| [8] | 赵俊德, 周爱国, 陈彦霖, 郑家乐, 葛天舒. 吸附法CO2直接空气捕集技术能耗现状[J]. 化工学报, 2025, 76(4): 1375-1390. |
| [9] | 王法正, 隋璘, 熊伟丽. 面向多采样率数据的TTPA-LSTM软测量建模[J]. 化工学报, 2025, 76(4): 1635-1646. |
| [10] | 张新梅, 张傲, 邱德华, 刘晓爽, 陈晨. 基于热响应机理的罐区池火灾动态多米诺效应评估方法[J]. 化工学报, 2025, 76(4): 1885-1897. |
| [11] | 张履胜, 王治红, 柳青, 李雪雯, 谭仁敏. 液-液相变吸收剂捕集二氧化碳研究进展[J]. 化工学报, 2025, 76(3): 933-950. |
| [12] | 肖俊兵, 钟湘宇, 任建地, 钟芳芳, 刘昌会, 贾传坤. 基于生物碳材料强化的硬脂酸相变材料储热性能研究[J]. 化工学报, 2025, 76(3): 1312-1322. |
| [13] | 齐珂, 王迪, 谢喆, 陈东升, 周云龙, 孙灵芳. 考虑多物理场耦合特性的固体氧化物燃料电池瞬态特性研究[J]. 化工学报, 2025, 76(3): 1264-1274. |
| [14] | 杨晋宁, 王卫凡, 徐冬, 刘毅, 翁小涵, 原野, 王志. 工业烟道气碳捕集膜技术放大研究进展[J]. 化工学报, 2025, 76(2): 504-518. |
| [15] | 姚佳逸, 张东辉, 唐忠利, 李文彬. 基于二级双回流的变压吸附捕碳工艺研究[J]. 化工学报, 2025, 76(2): 744-754. |
| 阅读次数 | ||||||
|
全文 |
|
|||||
|
摘要 |
|
|||||
京公网安备 11010102001995号