化工学报 ›› 2025, Vol. 76 ›› Issue (11): 5900-5910.DOI: 10.11949/0438-1157.20250581
• 流体力学与传递现象 • 上一篇
收稿日期:2025-05-28
修回日期:2025-08-02
出版日期:2025-11-25
发布日期:2025-12-19
通讯作者:
张世博
作者简介:刘起超(1991—),男,博士,讲师,lqcliuqichao@126.com
基金资助:
Qichao LIU(
), Shibo ZHANG(
), Yuqing LI, Yunlong ZHOU, Yiwen RAN
Received:2025-05-28
Revised:2025-08-02
Online:2025-11-25
Published:2025-12-19
Contact:
Shibo ZHANG
摘要:
海上漂浮核电站被认为是解决海洋能源短缺问题的有效措施之一,但在风浪的作用下处于运动状态,导致蒸汽发生器内气液两相流截面含气率变化,影响运行安全。针对起伏振动气液两相流截面含气率计算模型适用性有限的问题,基于卷积神经网络、门控循环单元、注意力机制和鲸鱼算法建立了起伏振动气液两相流截面含气率预测模型。预测结果表明,该模型对起伏振动水平和垂直上升管截面含气率有良好的适用性,且对流型具有良好的鲁棒性。研究结果为起伏振动下气液两相流截面含气率的精准预测提供了新的方法,为海上核电站蒸汽发生器的参数设计提供理论参考。
中图分类号:
刘起超, 张世博, 李昱庆, 周云龙, 冉议文. 基于WOA-CNN-GRU-ATT的起伏振动水平和垂直管气液两相流截面含气率预测[J]. 化工学报, 2025, 76(11): 5900-5910.
Qichao LIU, Shibo ZHANG, Yuqing LI, Yunlong ZHOU, Yiwen RAN. Prediction of void fraction in gas-liquid two-phase flow under fluctuating vibration in horizontal and vertical pipes based on WOA-CNN-GRU-ATT[J]. CIESC Journal, 2025, 76(11): 5900-5910.
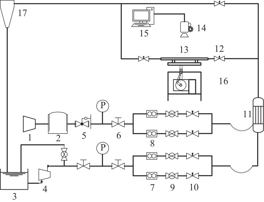
图1 水平管实验系统图示意图1—空压机;2—储气罐;3—水箱;4—离心泵;5—减压阀;6—截止阀;7—电磁流量计;8—气体质量流量计;9—球阀;10—针阀;11—相混合器;12—电磁阀;13—实验段;14—高速摄影仪;15—计算机;16—起伏振动台;17—旋风分离器
Fig.1 Schematic diagram of experimental system with horizontal pipe
| 测量参数 | 相对不确定度 |
|---|---|
| 水流量 | 1%~6.667% |
| 空气流量 | 0.556%~5% |
| 截面含气率 | 0.47%~7.155% |
表1 实验测量参数的相对不确定度
Table1 Relative uncertainty of experimental measurement parameters
| 测量参数 | 相对不确定度 |
|---|---|
| 水流量 | 1%~6.667% |
| 空气流量 | 0.556%~5% |
| 截面含气率 | 0.47%~7.155% |
| 模型 | RMSE | MAPE/% | R2 |
|---|---|---|---|
| BPNN | 0.0976 | 17.67 | 0.7465 |
| SVM | 0.0737 | 13.47 | 0.8552 |
| CNN-GRT-ATT | 0.0389 | 7.17 | 0.9676 |
| WOA-C-G-A | 0.0368 | 6.61 | 0.9709 |
表2 模型误差对比
Table2 Comparison of model errors
| 模型 | RMSE | MAPE/% | R2 |
|---|---|---|---|
| BPNN | 0.0976 | 17.67 | 0.7465 |
| SVM | 0.0737 | 13.47 | 0.8552 |
| CNN-GRT-ATT | 0.0389 | 7.17 | 0.9676 |
| WOA-C-G-A | 0.0368 | 6.61 | 0.9709 |
图5 已有模型和本文新建模型对水平管和垂直管截面含气率预测结果
Fig.5 Comparison of void fraction predictions between existing models and the newly proposed model in this study for horizontal and vertical pipes
| 振频/Hz | 振幅/m | 气相折算速度/(m/s) | 液相折算速度/(m/s) | 截面含气率实验值/% | 截面含气率预测值/% | 相对误差/% |
|---|---|---|---|---|---|---|
| 4 | 0.025 | 0.5 | 1 | 16.05 | 26.82 | 67.08 |
| 4 | 0.075 | 1 | 0.1 | 48.27 | 52.25 | 8.23 |
| 0 | 0 | 1 | 0.1 | 56.03 | 52.16 | -6.90 |
| 4 | 0.025 | 1 | 0.5 | 46.60 | 42.39 | -9.04 |
表3 倾斜管截面含气率测试集相对误差
Table 3 Train set error of void fraction in inclined tube
| 振频/Hz | 振幅/m | 气相折算速度/(m/s) | 液相折算速度/(m/s) | 截面含气率实验值/% | 截面含气率预测值/% | 相对误差/% |
|---|---|---|---|---|---|---|
| 4 | 0.025 | 0.5 | 1 | 16.05 | 26.82 | 67.08 |
| 4 | 0.075 | 1 | 0.1 | 48.27 | 52.25 | 8.23 |
| 0 | 0 | 1 | 0.1 | 56.03 | 52.16 | -6.90 |
| 4 | 0.025 | 1 | 0.5 | 46.60 | 42.39 | -9.04 |
| 管径/mm | 振频/Hz | 振幅/m | 气相折算速度/(m/s) | 液相折算速度/(m/s) | 截面含气率实验值/% | 截面含气率预测值/% | 相对误差/% |
|---|---|---|---|---|---|---|---|
| 101.6 | 0 | 0 | 5.57059 | 0.7 | 71.80 | 70.92 | -1.23 |
| 152 | 0 | 0 | 4.08715 | 0.5 | 76.51 | 72.68 | -5.01 |
| 12.7 | 0 | 0 | 0.92647 | 6.32 | 11.68 | 14.24 | 21.95 |
| 12.7 | 0 | 0 | 0.67281 | 6.32 | 9.17 | 8.97 | -2.20 |
| 12.7 | 0 | 0 | 1.50396 | 6.32 | 18.11 | 17.24 | -4.81 |
| 101.6 | 0 | 0 | 0.30113 | 0.7 | 20.28 | 22.58 | 11.36 |
| 25.4 | 0 | 0 | 0.8976 | 2 | 24.02 | 24.38 | 1.49 |
| 52.3 | 0 | 0 | 2.57203 | 1 | 42.45 | 55.68 | 31.15 |
| 101.6 | 0 | 0 | 10.42862 | 0.7 | 82.21 | 73.06 | -11.12 |
| 101.6 | 0 | 0 | 8.09252 | 0.7 | 78.12 | 72.64 | -7.02 |
| 52.3 | 0 | 0 | 0.57219 | 1 | 8.03 | 9.09 | 13.23 |
表4 垂直上升管截面含气率测试集相对误差
Table 4 Train relative error of void fraction in vertical upward tube
| 管径/mm | 振频/Hz | 振幅/m | 气相折算速度/(m/s) | 液相折算速度/(m/s) | 截面含气率实验值/% | 截面含气率预测值/% | 相对误差/% |
|---|---|---|---|---|---|---|---|
| 101.6 | 0 | 0 | 5.57059 | 0.7 | 71.80 | 70.92 | -1.23 |
| 152 | 0 | 0 | 4.08715 | 0.5 | 76.51 | 72.68 | -5.01 |
| 12.7 | 0 | 0 | 0.92647 | 6.32 | 11.68 | 14.24 | 21.95 |
| 12.7 | 0 | 0 | 0.67281 | 6.32 | 9.17 | 8.97 | -2.20 |
| 12.7 | 0 | 0 | 1.50396 | 6.32 | 18.11 | 17.24 | -4.81 |
| 101.6 | 0 | 0 | 0.30113 | 0.7 | 20.28 | 22.58 | 11.36 |
| 25.4 | 0 | 0 | 0.8976 | 2 | 24.02 | 24.38 | 1.49 |
| 52.3 | 0 | 0 | 2.57203 | 1 | 42.45 | 55.68 | 31.15 |
| 101.6 | 0 | 0 | 10.42862 | 0.7 | 82.21 | 73.06 | -11.12 |
| 101.6 | 0 | 0 | 8.09252 | 0.7 | 78.12 | 72.64 | -7.02 |
| 52.3 | 0 | 0 | 0.57219 | 1 | 8.03 | 9.09 | 13.23 |
| [6] | Zhou Y L, Zhao P, Yang N. Experimental study on flow pattern transition of gas liquid two-phase flow in horizontal tubes under vibration condition[J]. Journal of Engineering for Thermal Energy and Power, 2017, 32(6): 17-22. |
| [7] | 周云龙, 李珊珊. 起伏振动状态下倾斜管气液两相流型实验研究[J]. 原子能科学技术, 2018, 52(2): 262-268. |
| Zhou Y L, Li S S. Experiment investigation on gas-liquid two-phase flow pattern in inclined pipe under fluctuant vibration condition[J]. Atomic Energy Science and Technology, 2018, 52(2): 262-268. | |
| [8] | 周云龙, 汪俊超, 刘起超. 起伏非线性振动下倾斜上升管内气液两相流流型转变分析[J]. 原子能科学技术, 2020, 54(10): 1787-1794. |
| Zhou Y L, Wang J C, Liu Q C. Analysis of gas-liquid two-phase flow pattern transition in inclined rising pipe under fluctuant nonlinear vibration condition[J]. Atomic Energy Science and Technology, 2020, 54(10): 1787-1794. | |
| [9] | 刘起超, 张世博, 周云龙, 等. 起伏振动水平管气液两相流型及转变机理[J]. 化工学报, 2024, 75(2): 493-504. |
| Liu Q C, Zhang S B, Zhou Y L, et al. Gas-liquid two-phase flow regimes and transformation mechanism in horizontal tube under fluctuating vibration[J]. CIESC Journal, 2024, 75(2): 493-504. | |
| [10] | Chen S W, Lee W C, Chang Y H, et al. Experimental investigation on stable/unstable flow behaviors of parallel boiling channels under forced vertical vibrations[J]. Applied Thermal Engineering, 2022, 202: 117840. |
| [11] | Zhou Y L, Chang H, Lv Y Z. Gas-liquid two-phase flow in a horizontal channel under nonlinear oscillation: flow regime, frictional pressure drop and void fraction[J]. Experimental Thermal and Fluid Science, 2019, 109: 109852. |
| [12] | Wang L, Zhang Y, Bao Y Y, et al. Numerical study of transient flow characteristics of gas-liquid two-phase flow in inclined upward tube under periodic vibration[J]. Ocean Engineering, 2023, 282: 115024. |
| [13] | 刘起超, 周云龙, 陈聪. 起伏振动垂直上升管气液两相流截面含气率分析与计算[J]. 化工学报, 2023, 74(6): 2391-2403. |
| Liu Q C, Zhou Y L, Chen C. Analysis and calculation of void fraction of gas-liquid two-phase flow in vertical riser under fluctuating vibration[J]. CIESC Journal, 2023, 74(6): 2391-2403. | |
| [14] | Zhou Y L, Ran Y W, Liu Q C, et al. Investigation on void fraction of gas-liquid two-phase flow in horizontal pipe under fluctuating vibration[J]. Nuclear Engineering and Design, 2025, 431: 113710. |
| [15] | Osman E S A. Artificial neural network models for identifying flow regimes and predicting liquid holdup in horizontal multiphase flow[J]. SPE Production & Facilities, 2004, 19(1): 33-40. |
| [16] | Shippen M E, Scott S L. A neural network model for prediction of liquid holdup in two-phase horizontal flow[J]. SPE Production & Facilities, 2004, 19(2): 67-76. |
| [17] | Xiao R G, Li K, Sun L Y, et al. The prediction of liquid holdup in horizontal pipe with BP neural network[J]. Energy Science & Engineering, 2020, 8(6): 2159-2168. |
| [18] | Li C F, Liu M M, Zhao N, et al. Void fraction measurement using modal decomposition and ensemble learning in vertical annular flow[J]. Chemical Engineering Science, 2022, 247: 116929. |
| [19] | Han B B, Ge B, Wang F, et al. Void fraction detection technology of gas-liquid two-phase bubbly flow based on convolutional neural network[J]. Experimental Thermal and Fluid Science, 2023, 142: 110804. |
| [20] | Kan Z, Liu X Y. The study on void fraction prediction of gas-liquid two phase flow based on convolutional neural network[J]. Journal of Physics: Conference Series, 2021, 2121(1): 012029. |
| [21] | Gao Z K, Hou L H, Dang W D, et al. Multitask-based temporal-channel wise CNN for parameter prediction of two-phase flows[J]. IEEE Transactions on Industrial Informatics, 2021, 17(9): 6329-6336. |
| [22] | Gao Z K, Li M Y, Hou L H, et al. Stage-wise densely connected network for parameter measurement of two-phase flows[J]. IEEE Sensors Journal, 2021, 21(16): 18123-18131. |
| [23] | Chu W J, Liu Y, Pan L Q, et al. Study on measure approach of void fraction in narrow channel based on fully convolutional neural network[J]. Frontiers in Energy Research, 2021, 9: 636813. |
| [24] | Zhai H F, Zhou Q, Hu G H. Predicting micro-bubble dynamics with semi-physics-informed deep learning[J]. AIP Advances, 2022, 12(3): 035153. |
| [25] | Shi Y Y, Sun Y X, Wang M, et al. Flow pattern recognition for horizontal gas-liquid two-phase flow with a hybrid deep-learning model[J]. Flow Measurement and Instrumentation, 2025, 102: 102829. |
| [1] | Buongiorno J, Jurewicz J, Golay M, et al. The offshore floating nuclear plant concept[J]. Nuclear Technology, 2016, 194(1): 1-14. |
| [2] | Orr R S, Dotson C. Offshore nuclear power plants[J]. Nuclear Engineering and Design, 1973, 25(3): 334-349. |
| [3] | Ghadimi P, Bankhshandehrostami A. Determination of the heave and pitch motions of a floating cylinder by analytical solution of its diffraction problem and examination of the effects of geometric parameters on its dynamics in regular waves[J]. International Journal of Applied Mathematical Research, 2012, 1(4):611-633. |
| [4] | Li S L, Jiang Y Q, Cai W H, et al. Numerical study on condensation heat transfer and pressure drop characteristics of methane upward flow in a spiral pipe under sloshing condition[J]. International Journal of Heat and Mass Transfer, 2019, 129: 310-325. |
| [5] | Ren Y, Cai W H, Jiang Y Q. Numerical study on shell-side flow and heat transfer of spiral-wound heat exchanger under sloshing working conditions[J]. Applied Thermal Engineering, 2018, 134: 287-297. |
| [6] | 周云龙, 赵盘, 杨宁. 振动状态下水平管内气液两相流流型转变的实验研究[J]. 热能动力工程, 2017, 32(6): 17-22. |
| [26] | Qiao W L, Guo H, Huang E Z, et al. Two-phase flow pattern identification by embedding double attention mechanisms into a convolutional neural network[J]. Journal of Marine Science and Engineering, 2023, 11(4): 793. |
| [27] | Baroczy C J. A systematic correlation for two-phase pressure drop[J]. Chemical Engineering Progress Symposium Series, 1966, 62: 234-249. |
| [28] | Cengel Y A, Cimbala J M. Fluid Mechanics: Fundamentals and Applications[M]. McGraw-Hill Higher Education, 2013: 231-259. |
| [29] | Massel S R. Ocean Surface Waves: Their Physics and Prediction[M]. Singapore: World Scientific, 1996. |
| [30] | Moffat R J. Describing the uncertainties in experimental results[J]. Experimental Thermal and Fluid Science, 1988, 1(1): 3-17. |
| [31] | Mirjalili S, Lewis A. The whale optimization algorithm[J]. Advances in Engineering Software, 2016, 95: 51-67. |
| [32] | Wang L J, Liu J Y, Yan Y, et al. Gas-liquid two-phase flow measurement using Coriolis flowmeters incorporating artificial neural network, support vector machine, and genetic programming algorithms[J]. IEEE Transactions on Instrumentation and Measurement, 2017, 66(5): 852-868. |
| [33] | Liu H, Ma Z Y, Zhang L T, et al. Minimum entropy production principle-based semi-empirical model for void fraction prediction in vertical upward dispersed gas-liquid flows[J]. International Journal of Heat and Mass Transfer, 2025, 247: 127120. |
| [1] | 燕子腾, 詹飞龙, 丁国良. 空调用套管式分流器结构设计及分流效果验证[J]. 化工学报, 2025, 76(S1): 152-159. |
| [2] | 赵子祥, 段钟弟, 孙浩然, 薛鸿祥. 大温差两相流动诱导水锤冲击的数值模型[J]. 化工学报, 2025, 76(S1): 170-180. |
| [3] | 曹庆泰, 郭松源, 李建强, 蒋赞, 汪彬, 耑锐, 吴静怡, 杨光. 负过载下多孔隔板对液氧贮箱蓄液性能的影响研究[J]. 化工学报, 2025, 76(S1): 217-229. |
| [4] | 段浩磊, 陈浩远, 梁坤峰, 王林, 陈彬, 曹勇, 张晨光, 李硕鹏, 朱登宇, 何亚茹, 杨大鹏. 纯电动车热管理系统低GWP工质替代方案性能分析与综合评价[J]. 化工学报, 2025, 76(S1): 54-61. |
| [5] | 王俊鹏, 冯佳琪, 张恩搏, 白博峰. 曲折式与阵列式迷宫阀芯结构内流动与空化特性研究[J]. 化工学报, 2025, 76(S1): 93-105. |
| [6] | 刘奕扬, 邢志祥, 刘烨铖, 彭明, 李玉洋, 李云浩, 沈宁舟. 加氢站液氢泄漏扩散特性与安全监测数值模拟研究[J]. 化工学报, 2025, 76(9): 4694-4708. |
| [7] | 郭旭, 贾继宁, 姚克俭. 基于优化CNN-BiLSTM神经网络的间歇精馏过程建模[J]. 化工学报, 2025, 76(9): 4613-4629. |
| [8] | 朱春梦, 李增, 柳楠, 赵云鹏, 石孝刚, 蓝兴英. 基于自编码器和多尺度符号转移熵的FCC沉降器跑剂故障检测[J]. 化工学报, 2025, 76(9): 4512-4523. |
| [9] | 梁晓江, 陈薇薇, 罗佳南, 费浩天, 叶雪蕾, 李文豪, 聂勇. 电分散管式填充床中荷电气泡的分散特性研究[J]. 化工学报, 2025, 76(8): 3915-3931. |
| [10] | 张淇栋, 艾立强, 马原, 吴胜宝, 王磊, 厉彦忠. 基于一维漂移流模型的低温管路预冷过程两相流动与换热特性研究[J]. 化工学报, 2025, 76(8): 3842-3852. |
| [11] | 王芳, 马素霞, 田营, 刘众元. 基于LSTM动态修正一维机理模型的CFB机组NO x 排放浓度预测方法[J]. 化工学报, 2025, 76(7): 3416-3425. |
| [12] | 王金江, 鲁振杰, 安维峥, 杨风允, 秦小刚. ORC发电系统工艺过程预警诊断技术研究与展望[J]. 化工学报, 2025, 76(7): 3137-3152. |
| [13] | 颜成辉, 谢应明, 庞治海, 翁盛乔. 泡沫多孔材料对R134a水合物蓄冷的强化研究[J]. 化工学报, 2025, 76(6): 3084-3092. |
| [14] | 何昌秋, 田加猛, 陈义齐, 朱宇琛, 刘鑫, 王海, 王贞涛, 王军锋, 周致富, 陈斌. 电场-宏观结构表面协同强化薄液膜沸腾传热特性[J]. 化工学报, 2025, 76(6): 2589-2602. |
| [15] | 吴与伦, 王振雷, 王昕. 基于对比学习的乙烯裂解炉运行工况识别方法[J]. 化工学报, 2025, 76(6): 2733-2742. |
| 阅读次数 | ||||||
|
全文 |
|
|||||
|
摘要 |
|
|||||
京公网安备 11010102001995号