CIESC Journal ›› 2025, Vol. 76 ›› Issue (4): 1484-1492.DOI: 10.11949/0438-1157.20241192
• Thermodynamics • Previous Articles Next Articles
Ji LI1,3(
), Jiacai WANG2,3, Yongqiang MA2,3, Haibin YUAN2,3, Luming JIAN2,3, Jican JIANG2,3, Jiahua ZHU1,3
Received:2024-09-23
Revised:2024-12-10
Online:2025-05-12
Published:2025-04-25
Contact:
Ji LI
李季1,3(
), 王佳才2,3, 马永强2,3, 袁海斌2,3, 简路明2,3, 姜基灿2,3, 朱家骅1,3
通讯作者:
李季
作者简介:李季(1989—),男,博士,高级实验师,lijiscu@scu.edu.cn
基金资助:CLC Number:
Ji LI, Jiacai WANG, Yongqiang MA, Haibin YUAN, Luming JIAN, Jican JIANG, Jiahua ZHU. Thermodynamic analysis and engineering practice of high efficiently recycle of fluorine contained in tail gas from wet-process phosphoric acid plant[J]. CIESC Journal, 2025, 76(4): 1484-1492.
李季, 王佳才, 马永强, 袁海斌, 简路明, 姜基灿, 朱家骅. 湿法磷酸含氟尾气高效资源化利用热力学分析与工程实践[J]. 化工学报, 2025, 76(4): 1484-1492.
Add to citation manager EndNote|Ris|BibTeX
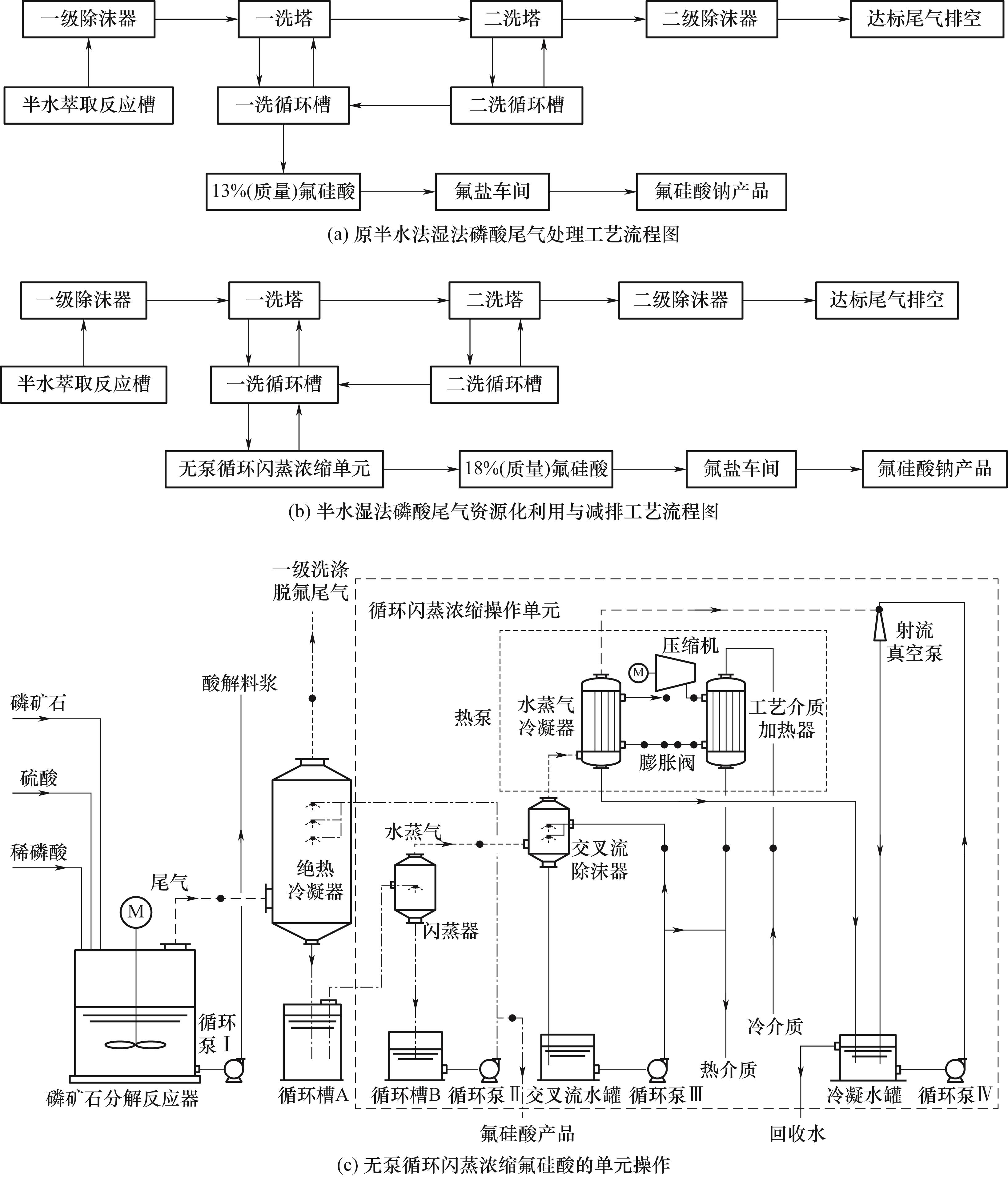
| 项目 | 原系统 | 新系统 |
|---|---|---|
| 氟硅酸产品浓度/%(质量) | ≤13 | ≥18 |
| 氟回收率/% | ≤70 | ≥99 |
| 循环洗液温度/K | 338~343 | 313~318 |
| 清理人数 | 25 | 0 |
| 尾气氟含量/(mg/m3) | 10 | ≤2 |
| 系统清理周期/d | 5 | 7 |
| 清理费用/(万元/年) | 24.88 | 0 |
| 新增产品收益/(万元/年) | — | 20.98 |
Table 1 Economic analysis of 75000 t P2O5/a WPA tail gas emission reduction and utilization project
| 项目 | 原系统 | 新系统 |
|---|---|---|
| 氟硅酸产品浓度/%(质量) | ≤13 | ≥18 |
| 氟回收率/% | ≤70 | ≥99 |
| 循环洗液温度/K | 338~343 | 313~318 |
| 清理人数 | 25 | 0 |
| 尾气氟含量/(mg/m3) | 10 | ≤2 |
| 系统清理周期/d | 5 | 7 |
| 清理费用/(万元/年) | 24.88 | 0 |
| 新增产品收益/(万元/年) | — | 20.98 |
| 1 | Teng B, Mekdimu M D, Wang C, al et, Comprehensive review of modified clay minerals for phosphate management and future prospects[J]. Journal of Cleaner Production, 2024, 447: 141425. |
| 2 | 王喜恒, 孙文哲. 湿法磷酸过程氟回收技术研究进展[J]. 无机盐工业, 2020, 52(8):25-29. |
| Wang X H, Sun W Z. Research progress on fluorine recovery technology in wet process phosphoric acid[J]. Inorganic Chemicals Industry, 2020, 52(8):25-29. | |
| 3 | 翁艺斌, 李兴春, 吴百春, 等. 我国石油炼制工业水污染物排放标准变迁[J]. 环境保护科学, 2018, 44(2): 6-11, 74. |
| Weng Y B, Li X C, Wu B C, et al. Development of the standards for water pollution discharge from the petroleum refinery sector in China[J]. Environmental Protection Science, 2018, 44(2): 6-11, 74. | |
| 4 | 中国磷复肥工业协会. 磷复肥行业“十四五”发展思路浅析[J]. 磷肥与复肥, 2021, 36(1): 1-5. |
| China Phosphate and Compound Fertilizer Industry Association. Analysis on the development thinking of phosphate compound fertilizer industry in the 14th Five-year Plan[J]. Phosphate & Compound Fertilizer, 2021, 36(1): 1-5. | |
| 5 | 王励生, 廖华书, 刘巍, 等. 湿法磷酸脱氟及饲料磷酸氢钙装置工程开发[J]. 无机盐工业, 1996, 28(5): 1-5. |
| Wang L S, Liao H S, Liu W, et al. Defluorination of wet-process phosphoric acid and engineering development of feed calcium hydrogen phosphate device[J]. Inorganic Chemicals Industry, 1996, 28(5): 1-5. | |
| 6 | 曹骐, 张志业, 王辛龙. 磷化工副产氟硅酸的利用及无水氟化氢的生产研究进展[J]. 无机盐工业, 2010, 42(5): 1-4. |
| Cao Q, Zhang Z Y, Wang X L. Utilization of fluorosilicic acid by-produced from phosphorus chemical industry and research progress in anhydrous hydrogen fluoride[J]. Inorganic Chemicals Industry, 2010, 42(5): 1-4. | |
| 7 | 王莹, 方俊文, 李博. 2019年我国磷复肥行业运行情况及发展趋势[J]. 磷肥与复肥, 2020, 35(8): 1-8. |
| Wang Y, Fang J W, Li B. Production and developing trends of phosphate and compound fertilizer industry in China in 2019[J]. Phosphate & Compound Fertilizer, 2020, 35(8): 1-8. | |
| 8 | Zhang P. Comprehensive recovery and sustainable development of phosphate resources[J]. Procedia Engineering, 2014, 83: 37-51. |
| 9 | 王智娟, 韦昌桃. 湿法磷酸净化技术研究进展[J]. 化工矿物与加工, 2019, 48(10): 50-55. |
| Wang Z J, Wei C T. Progress on research of purification technology for wet-process phosphoric acid[J]. Industrial Minerals & Processing, 2019, 48(10): 50-55. | |
| 10 | Tavener S J, Clark J H. Chapter 5 fluorine: friend or foe? A green c h e m i s t ' s perspective[M]//Advances in Fluorine Science. Amsterdam: Elsevier, 2006: 177-202. |
| 11 | Hocking M B. Handbook of Chemical Technology and Pollution Control[M]. 3rd ed. San Diego: Academic, 2005: 289-320. |
| 12 | Public Health Service Agency for Toxic Substances and Disease Registry. Toxicological Profile for Fluorides, Hydrogen Fluoride, and Fluorine[M]. Atlanta: U.S. Department of Health and Human Services, 2003. |
| 13 | 国家环境保护局. 大气污染物综合排放标准: [S]. 北京: 中国标准出版社, 1997. |
| State Bureau of Environmental Protection of the People's Republic of China. Comprehensive emission standard of air pollutants: [S]. Beijing: Standards Press of China, 1997. | |
| 14 | 环境保护部, 国家质量监督检验检疫总局. 无机磷化学工业污染物排放标准: [S]. 北京: 中国环境科学出版社, 2015. |
| Ministry of Environmental Protection of the People's Republic of China, General Administration of Quality Supervision, Inspection and Quarantine of the People's Republic of China. Emission standards of pollutants for inorganic chemical industry: [S]. Beijing: China Environmental Science Press, 2015. | |
| 15 | 张海燕, 杨劲, 明大增, 等. 湿法磷酸深度脱氟技术研究进展[J]. 化学工程师, 2014, 28(4): 42-45. |
| Zhang H Y, Yang J, Ming D Z, et al. Development in research on de-fluorination technology of wet phosphoric acid[J]. Chemical Engineer, 2014, 28(4): 42-45. | |
| 16 | 何宾宾. 饲料级湿法磷酸脱氟技术综述及发展思路[J]. 磷肥与复肥, 2020, 35(10): 28-30. |
| He B B. Review of defluorination technology of feed grade WPA and its development thinking[J]. Phosphate & Compound Fertilizer, 2020, 35(10): 28-30. | |
| 17 | 石通杉, 刘旭, 杨俊. 湿法磷酸净化技术研究现状及发展[J]. 磷肥与复肥, 2023, 38(6): 26-28, 52. |
| Shi T S, Liu X, Yang J. Research status and development of purification technology for wet-process phosphoric acid [J]. Phosphate & Compound Fertilizer, 2023, 38(6): 26-28, 52. | |
| 18 | Berka M, Bányai I. Surface complexation modeling of K+, N O 3 - , S O 4 2 - , Ca2+, F-, Co2+, and Cr3+ ion adsorption on silica gel[J]. Journal of Colloid and Interface Science, 2001, 233(1): 131-135. |
| 19 | Naskar M K. Preparation of colloidal hydrated alumina modified NaA zeolite derived from rice husk ash for effective removal of fluoride ions from water medium[J]. Journal of Asian Ceramic Societies, 2020, 8(2): 437-447. |
| 20 | Tian Z H, Gan Y Q. In situ synthesis of structural hierarchy flowerlike zeolite and its application for fluoride removal in aqueous solution[J]. Journal of Nanomaterials, 2019, 2019: 2932973. |
| 21 | Luchian C, Niculaua M, Cotea V, et al. Adsorption of phenolic compounds from wine on mesoporous MCM-41 molecular sieve[J]. Revista de Chime, 2011, 62(3): 287-292. |
| 22 | Zhang J C, Tian C T, Xu Y, et al. Effective removal of fluorine ions in phosphoric acid by silicate molecular sieve synthesized by hexafluorosilicic acid[J]. Separation and Purification Technology, 2023, 305: 122395. |
| 23 | Kijkowska R, Pawlowska-Kozinska D, Kowalski Z, et al. Wet-process phosphoric acid obtained from Kola apatite. Purification from sulphates, fluorine, and metals[J]. Separation and Purification Technology, 2002, 28(3):197-205. |
| 24 | Sirianni A F, Paillard G, Puddington I E. Separation of wet-process phosphoric acid[J]. The Canadian Journal of Chemical Engineering, 1969, 47(3):210-211. |
| 25 | 任兢. 湿法磷酸尾气洗涤系统改造[J]. 磷肥与复肥, 2014, 29(2):36-37. |
| Ren J. Transformation of tail gas washing system for WPA production [J]. Phosphate & Compound Fertilizer, 2014, 29(2):36-37. | |
| 26 | 杨林军, 张志炳, 张允湘, 等. 湿法磷酸过滤管道系统氟硅酸钾(钠)结垢沉积模型[J]. 化工学报, 2003, 54(10):1407-1412. |
| Yang L J, Zhang Z B, Zhang Y X, et al. Modeling of potassium (sodium) fluosilicate scale formation in wet-process phosphoric acid production[J]. Journal of Chemical Industry and Engineering (China), 2003, 54(10): 1407-1412. | |
| 27 | 张海燕, 明大增, 吉晓玲, 等. 浅析湿法磷酸脱氟反应原理[J]. 无机盐工业, 2015, 47(1):9-12. |
| Zhang H Y, Ming D Z, Ji X L, et al. Analysis on de-fluorination reaction principle of wet process phosphoric acid [J]. Inorganic Chemicals Industry, 2015, 47(1):9-12. | |
| 28 | Akiyama T, Ando J. Constituents and properties of ammoniated slurry from wet-process phosphoric acid[J]. Bulletin of the Chemical Society of Japan, 1972, 45(9): 2915-2920. |
| 29 | 李志祥, 明大增. 磷肥行业含氟硅胶综合利用技术综述[J]. 硫磷设计与粉体工程, 2011(3): 41-45, 5. |
| Li Z X, Ming D Z. Overview of comprehensive utilization technology for fluorine-containing silica gel in phosphate fertilizer industry[J]. Sulphur Phosphorus & Bulk Materials Handling Related Engineering, 2011(3): 41-45, 5. | |
| 30 | 陈文兴, 张筑南, 蒋仁波, 等. 磷肥企业氟硅产物综合利用及清洁生产研究[J]. 无机盐工业, 2013, 45(8):52-54. |
| Chen W X, Zhang Z N, Jiang R B, et al. Silicon fluoride products comprehensive utilization and cleaner production of phosphate fertilizer enterprises [J]. Inorganic Chemicals Industry, 2013, 45(8):52-54. | |
| 31 | 陈冲, 李季, 朱家骅, 等. 湿法磷酸尾气封闭循环工艺与氟回收技术开发[J]. 磷肥与复肥, 2018, 33(1): 32-35. |
| Chen C, Li J, Zhu J H, et al. Development of tail gas close loop and fluorine recovery technology for WPA production[J]. Phosphate & Compound Fertilizer, 2018, 33(1): 32-35. | |
| 32 | Guendouzi M EI, Rifai A, Skafi M. Properties of fluoride in wet phosphoric acid processes: fluorosilicic acid in an aqueous solution of H2SiF6-H2O at temperatures ranging from 298.15 K to 353.15 K[J]. Fluid Phase Equilibria, 2015, 396(1):43-49. |
| 33 | 化学工业部建设协调司, 化工部硫酸和磷肥设计技术中心组织. 磷酸磷铵重钙技术与设计手册[M]. 北京: 化学工业出版社, 1997. |
| Department of Construction Coordination of Ministry of Chemical Industry, Organization of the Sulfuric Acid and Phosphate Fertilizer Design Technology Center of the Ministry of Chemical Industry. Technical and Design Manual of Ammonium Phosphate and Heavy Calcium and Phosphate[M]. Beijing: Chemical Industry Press, 1997. | |
| 34 | 罗显富, 李季, 朱家骅, 等. H2SiF6-H2O气液平衡体系中氟的分配比模型[J]. 磷肥与复肥, 2018, 33(3): 6-9. |
| Luo X F, Li J, Zhu J H, et al. Distribution coefficient model of fluorine in H2SiF6-H2O gas-liquid equilibrium system [J]. Phosphate & Compound Fertilizer, 2018, 33(3): 6-9. | |
| 35 | Grzmil B, Wronkowski J. Removal of phosphates and fluorides from industrial wastewater[J]. Desalination, 2006, 189: 261-268. |
| 36 | van der Sluis S, Schrijver A H M, Baak F P C, et al. Fluoride distribution coefficients in wet phosphoric acid processes [J]. Industrial & Engineering Chemistry Research, 1988, 27(3): 527-536. |
| 37 | Pitzer K S. Thermodynamics of aqueous electrolytes at various temperatures, pressures, and compositions[M]//ACS Symposium Series. Washington, D. C.: American Chemical Society, 1980: 451-466. |
| 38 | 朱家骅, 夏素兰, 陈洪杰, 等. 无含氟尾气排放的湿法磷酸工艺与氟硅酸加工方法: 106829899B[P]. 2019-03-05. |
| Zhu J H, Xia S L, Chen H J, et al. Wet process phosphoric acid process and fluorosilicic acid processing method without fluorine-containing tail gas emission: 106829899B[P]. 2019-03-05. |
| [1] | Tianyong ZHANG, Jingyi ZHANG, Shuang JIANG, Bin LI, Dongjun LYU, Dumin CHEN, Xue CHEN. Preparation and utilization of carbon-based adsorbent from organic pollutants in waste salt during acidic blue AS dye production [J]. CIESC Journal, 2024, 75(3): 890-899. |
| [2] | Lingjie WANG, Hailong GAO, Jipeng JIN, Zhihao WANG, Jianbo LI. Influence of pollutants in seawater on performance of reverse electrodialysis stacks [J]. CIESC Journal, 2024, 75(2): 695-705. |
| [3] | Zhongliang XIAO, Yubo XIA, Liubin SONG, Youtao XIANG, Tingting ZHAO, Jing LUO, Yuanjia LIU, Penghui DENG, Qunxuan YAN. Synergistic leaching process of waste LiFePO4 with phosphoric acid-tartaric acid system [J]. CIESC Journal, 2024, 75(12): 4780-4792. |
| [4] | Hailin JIA, Jinxiang ZENG, Rongkun PAN, Shili PAN, Kaixuan ZHOU. True fire experimental and molecular dynamic simulation of fluorine-free foam extinguishing agent [J]. CIESC Journal, 2024, 75(10): 3825-3834. |
| [5] | Hailin JIA, Bo CUI, Nan CHEN, Yongqin YANG, Qingyin WANG, Fumin ZHU. Foam performance analysis of fluorine-free foam modified by low carbon alcohol and experimental study on extinguishing oil pool fire [J]. CIESC Journal, 2022, 73(9): 4235-4244. |
| [6] | Changyuan TAO, Xiuxiu WANG, Zuohua LIU, Renlong LIU, Jinhua LUAN. Research on leaching rate enhancement and organic matter removal in wet-process phosphoric acid [J]. CIESC Journal, 2020, 71(10): 4792-4799. |
| [7] | Bing LI, Yi YANG, Zuohua LIU, Changyuan TAO, Deyin GU, Chuanlin XU, Yundong WANG. Solid-liquid chaotic mixing and leaching enhancement performance in phosphoric acid leaching process [J]. CIESC Journal, 2019, 70(5): 1742-1749. |
| [8] | Haisheng CHEN, Tengfei WANG, Kejin HUANG, Yang YUAN, Xing QIAN, Liang ZHANG. Decentralized control system designs for reactive distillation columns with external recycle [J]. CIESC Journal, 2019, 70(2): 440-449. |
| [9] | LI Yuhua, LI Qinggang, ZHANG Guiqing, CAO Zuoying, GUAN Wenjuan, ZENG Li. Recycling utilization of scandium from hydrolyzed sulfuric acid of titanium dioxide production [J]. CIESC Journal, 2017, 68(7): 2818-2825. |
| [10] | DUAN Wei, MA Guoyuan, ZHOU Feng. Factors influencing energy recycle performance of pump-driven heat pipe loop device [J]. CIESC Journal, 2016, 67(10): 4146-4152. |
| [11] | XU Xihua, FEI Zhaoyang, CHEN Xian, TANG Jihai, CUI Mifen, QIAO Xu. CeO2 nanoclusters stabilized in aerogel matrix as catalysts for Cl2 production from HCl oxidation [J]. CIESC Journal, 2015, 66(9): 3421-3427. |
| [12] | GONG Junbo, CHEN Mingyang, HUANG Cui, QIN Yujia, YIN Qiuxiang, WANG Jingkang. Clean production of pharmaceutical crystallization [J]. CIESC Journal, 2015, 66(9): 3271-3278. |
| [13] | ZHANG Zhaoqiang, ZHU Wancheng. Advances in one-dimensional nanostructured borates:from fundamental thermodynamics to engineering practice [J]. CIESC Journal, 2014, 65(7): 2588-2619. |
| [14] | NIU Dongfang, WANG Haiyang, YU Qiuyan, ZHANG Xinsheng. Electro-reductive conversion of 5-nitrobenzimidazolone to 5-aminobenzimidazolone on copper mesh cathode [J]. CIESC Journal, 2014, 65(1): 292-297. |
| [15] | XU Bin 1,SUN Li 1,2,HE Gaohong 1. Simulation and analysis of barley straw to oil processes integration with utility systems [J]. Chemical Industry and Engineering Progree, 2014, 33(06): 1397-1402. |
| Viewed | ||||||
|
Full text |
|
|||||
|
Abstract |
|
|||||